- 3 March 2009
- 4,069
Σε συζητήσεις οι περισσότεροι αναφέρουν ότι για τροδότηση ενισχυτών-προενισχυτών είναι καλύτερα να μη μεσολαβεί κανένα φίλτρο.
Στις πηγές αρκετοί το προτείνουν.
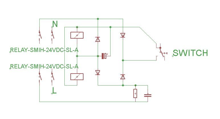
Λοιπόν χρησιμοποιώ ένα πολύμπριζο, το οποίο έχει ενσωματωμένο ένα φίλτρο (προφανώς surge). To σχηματικό του το παρουσιάζω πρόχειρα παρακάτω:

Στην ουσία τόσο ο ουδέτερος όσο και η φάση περνάνε μέσω δύο ρελέ (SMIH-24Vdc-SL-A) στα πρώτα πιν. Ενώ η έξοδος προς τα σούκο βγαίνουν από τα pin2 του κάθε ρελέ.
Χρησιμοιούνται 4 δίοδοι 1Ν4007, ένας ηλεκτρολυτικός 220uF/50V, ένας πλαστικός ΜΚΤ 0,68uF/250V, μία αντίσταση και ένας διακόπτης για on-off.
Να το καταργήσω ή να το αφήσω τελικά; Πάνω σε αυτό συνδέω ενισχυτή, προ, πηγή.
Στις πηγές αρκετοί το προτείνουν.
Λοιπόν χρησιμοποιώ ένα πολύμπριζο, το οποίο έχει ενσωματωμένο ένα φίλτρο (προφανώς surge). To σχηματικό του το παρουσιάζω πρόχειρα παρακάτω:

Στην ουσία τόσο ο ουδέτερος όσο και η φάση περνάνε μέσω δύο ρελέ (SMIH-24Vdc-SL-A) στα πρώτα πιν. Ενώ η έξοδος προς τα σούκο βγαίνουν από τα pin2 του κάθε ρελέ.
Χρησιμοιούνται 4 δίοδοι 1Ν4007, ένας ηλεκτρολυτικός 220uF/50V, ένας πλαστικός ΜΚΤ 0,68uF/250V, μία αντίσταση και ένας διακόπτης για on-off.
Να το καταργήσω ή να το αφήσω τελικά; Πάνω σε αυτό συνδέω ενισχυτή, προ, πηγή.