Αλλαγή λυχνιών στο cd της advance acoustic MCD-203

.. μοιαζει με DVD πλαυερ (χωρις αυτο να σημαινει τιποτα το κακο ή μεμπτο) με αλλο (καλο) τροφοδοτικο και σταδιο εξοδου μηπως?

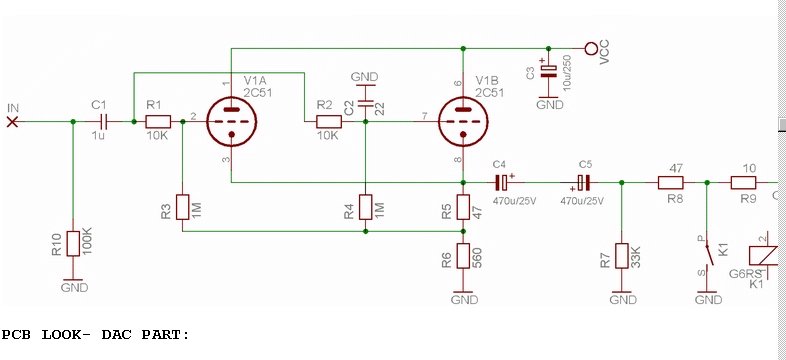
O τελεστικος που υπαρχει μετα το dac (κατω δεξια στη φωτο) σ ολες τις συσκευες , ειναι απ τους πιο φτηνους. Εκει δε θελει ισως αναβαθμιση?

Συγγνώμη , αλλά δέν μπορώ να έχω άποψη ή υπεύθυνη γνώμη απο μία φωτό
Αμα βρεθεί το σχηματικό και διαπιστωθεί οτι ισχύει και στήν πράξη , τότε το συζητάμε σε σοβαρή πλέον βάση
Φυσικά ελεύθερος είναι ο καθένας να κάνει πειράματα ...
 
Originally Posted by nbullamatsis
αρχικα ρωτησα τον Πετροπουλο τι λαμπες να βαλω.

Επρεπε να πας να ρωτησεις ΑΚΡΙΒΩΣ διπλα απο το εργοστασιο του Κου Πετροπουλου.

μου ειπε οτι κανανε τεστ ο ιδιος, ενας μουσικος και ενας ασχετος,
βαλανε electroharmonix, telefunken (μαλλον τις οικονομικες) και της μαμας.
ο Πετροπουλος με τον μουσικο ψηφισαν telefu, ο ασχετος της μαμας...

ισως το ιδιο τεστ κανανε οι Γαλλοι και ειδαν οτι δεν ειναι ΤΟ κριτηριο της επιτυχιας οι επωνυμες λαμπες...βαλανε Κινεζικες

Οι Κινεζοι (PRC) φασονατζηδες δεσμευονται απο την νομοθεσια σχετικα με την προελευση των εξαρτηματων που χρησιμοποιουν. Λογου χαριν, δεν μπορουν να χρησιμοποιουν παρα ενα μικρο μονο ποσοστο εισαγωμενων εξαρτηματων, και μαλιστα καθολου Ιαπωνικα εξαρτηματα (πχ ALPS). Μαλλον εκει οφειλεται η (αναγκαστικη) επιλογη των Γαλλων για ντοπιες λαμπες.
Για λογους γραφειοκρατιας της PRC καποιοι Κινεζοι κανουν το operation των επιχειρησεων τους απο την Taiwan, την Σιγκαπουρη ή αλλου εκτος Λαικης Δημοκρατιας της Κινας, ενω κρατανε την παραγωγη μεσα στην Κινα.

σκεφτειτε στην Κινα οι Κινεζικες εχουν 0,1$....και δεν μιλαμε για διαφορα 5 και 10 ευρω με τις επωνυμες
σκεφτειτε το κοστος της μεταφορας και το κοστος εισαγωγης προιοντων στην Κινα, ισως να τους κοστιζε μια επωνυμη στη Γαλλια 20ε και στην Κινα παραδοτεα 30, η μια.
σκεφτειτε και τις ελαττωματικες λαμπες και τα claim που θα κανανε....
αν η κινα τους εδινε το μηχανακι χωρις λαμπες για να κανουνε τοποθετηση στη Γαλλια, τα εξοδα ειναι ακομα περισσοτερα για εισαγωγη στη χωρα τους και συναρμολογηση και συσκευασια και διανομη....


ο Τσακιριδης μου εδωσε τις 5751 (τινος κατασκευαστη ??) να τις δοκιμασω μαζι με electroharmonix (τινος τυπου ??).
σαφως καλυτερες οι 5751 με πραγματικο ογκο χαμηλα, βελουδινα μεσαια και συγκτατημενα πριμα.
Με τις 5751 εκανες ενα βημα προς την κατευθυνση που προτεινω παραπανω (περι ECC81 / 12AT7). Τωρα μενει να κανεις και το υπολοιπο.

για μενα οι κινεζικες δεν εχουν χαμηλο και καπου στα 1-3Khz τα μπερδευουν. Συμφωνω και επαυξανω


Οπα ....



συγνωμη νομιζα ειχατε δει την αγγελια
Electron tube JAN5751
Electroharmonix 12AX7
εκανα και το επομενο βημα, το εδωσα

κατι ειχα ακουσει για εισαγωγες στη κινα και το ανεφερα, αλλα πραγματικα δεν γνωριζα τι γινεται ακριβως.

το πισω εργοστασιο απο το πετροπουλο δεν ειναι αυτο που που φτιαχνει τα ξυλα απο τα Alalysis;;;
 
Απάντηση: Re: Αλλαγή λυχνιών στο cd της advance acoustic MCD-203

.. μοιαζει με DVD πλαυερ (χωρις αυτο να σημαινει τιποτα το κακο ή μεμπτο) με αλλο (καλο) τροφοδοτικο και σταδιο εξοδου μηπως?

Είναι DVD player! Για γράψε καμμιά 1000άδα mp3s σε ένα DVD-rom και βάλτο να δεις, παίζει;

Εκπληξη! ;)
 

Επρεπε να πας να ρωτησεις ΑΚΡΙΒΩΣ διπλα απο το εργοστασιο του Κου Πετροπουλου.

.... το πισω εργοστασιο απο το πετροπουλο δεν ειναι αυτο που που φτιαχνει τα ξυλα απο τα Alalysis;;;



@ nbullamatsis.
Λοιπον, μετατροπες σε μεγαλη κλιμακα στο MCD203 / 203 II, εχουν γινει απο τον τεχνικο συνεργατη του Κου Τζιαφη (Analysis - Spicom - Dared κλπ). Περιλαμβανονται επεμβασεις στο τροφοδοτικο, στο τμημα Audio και αλλου.

Ειδικα, οπως ειπα, στο τμημα Audio, οι Op-amps που ακολουθουν το λαμπατο κυκλωμα εχουν καταργηθει, οι πυκνωτες σηματος στην Εισοδο και Εξοδο των λυχνιων εχουν αντικατασταθει, καθως και οι ιδιες οι λυχνιες πρωτες -πρωτες.
Μεχρι τωρα αφενος δεν ειχα ακουσει τα αποτελεσματα αυτων των μετατροπων, αφετερου δεν γνωριζα εαν οι συντελεστες αυτων των μετατροπων ενδιαφερονται να δημοσιοποιησουν το γεγονος, γι αυτο ειχα καποια επιφυλαξη πριν δωσω αυτην την πληροφορια.
Μετα απο πολυ προσφατη ακροαση του ακρως τροποποιημενου Player με συνοδα απο την γκαμα της παραπανω εταιρειας, εφτασα στο (προσωπικο παντα) συμπερασμα οτι οι μετατροπες πραγματικα εχουν θεαματικη επιτυχια καθως το Player γινεται αγνωριστο σε τονικη ισορροπια, λεπτομερεια, και εν τελει αυτο που αποκαλουμε "μουσικοτητα". Οι μετατροπες αυτες δεν ειναι απλες και ειναι μαλλον υποθεση επαγγελματιων ή αρκετα προχωρημενων DIY για να υλοποιηθουν υπευθυνα. Τα παραπανω αναφερω με δικη μου πρωτοβουλια και δεν γνωριζω εαν οι συντελεστες των μετατροπων εχουν σκοπο να τις δημοσιοποιησουν ή να τις επαναλαβουν για λογαριασμο τριτων. Εαν καποιος ενδιαφερεται για περισσοτερα δεν εχει παρα να ρωτησει τους ανθρωπους που ανεφερα. Σιγουρα παντως το μηχανημα ανεβαινει κατα πολυ, τουλαχιστον ακουστικα.

@Τζωρτζακης.
Το Shanling Τ200 ειναι συγγενικης σχεδιασης με το MCD 203 II, ειδικοτερα στο τμημα Audio , οσον αφορα την τοπολογια των λυχνιων που προοριζονται για οδηγηση του Ενισχυτη, και τους opamps που ακολουθουν κυκλωματικα σε ρολο buffer (απομονωτη). Αυτα, (μην αμφιβαλλεις-δεν συνηθιζω να λεω ανακριβειες) προκυπτουν μετα απο συγκριση των σχεδιων τους. Δυστυχως ειχα μονο οπτικη προσβαση στο σχεδιο του MCD 203 II, σε ανυποπτο χρονο, και ποτε δεν το ειχα διαθεσιμο σε ηλεκτρονικη μορφη. Το σχεδιο του Τ200 υπαρχει σε αρχειο PDF, στο λινκ που εδωσα για τον λογο ακριβως της σχεδιαστικης συγγενειας με το Advance σε εκεινο το σημειο.
 
@ nbullamatsis.
ι.......
@Τζωρτζακης.
Το Shanling Τ200 ειναι συγγενικης σχεδιασης με το MCD 203 II, ειδικοτερα στο τμημα Audio , οσον αφορα την τοπολογια των λυχνιων που προοριζονται για οδηγηση του Ενισχυτη, και τους opamps που ακολουθουν κυκλωματικα σε ρολο buffer (απομονωτη). Αυτα, (μην αμφιβαλλεις-δεν συνηθιζω να λεω ανακριβειες) προκυπτουν μετα απο συγκριση των σχεδιων τους. Δυστυχως ειχα μονο οπτικη προσβαση στο σχεδιο του MCD 203 II, σε ανυποπτο χρονο, και ποτε δεν το ειχα διαθεσιμο σε ηλεκτρονικη μορφη. Το σχεδιο του Τ200 υπαρχει σε αρχειο PDF, στο λινκ που εδωσα για τον λογο ακριβως της σχεδιαστικης συγγενειας με το Advance σε εκεινο το σημειο.

Φίλε μου , εγώ δέν ειπα οτι λές ανακρίβειες (μη πέρνεις φόρα ) , ΕΙΠΑ οτι : , το σχέδιο ενός κλασσικού απομονωτή , σε σχέση με αυτό που εμφανίζεται πάω στο εν λόγω CD (mcd203 ) , δέν έχουν απολύτως καμμιά σχέση
Και επέτρεψέ μου να αμφιβάλλω μέχρι τήν εμφάνιση original σχεδίου ...

PS
Και τέλος μόνο με ΟΛΟΚΛΗΡΟ το σχέδιο μπορεί να βγεί υπεύθυνη άκρη , δέν συμφωνείς σε αυτό ..????
 

Attachments

  • MCD203.jpg
    MCD203.jpg
    56.6 KB · Views: 54
  • scdT200.jpg
    scdT200.jpg
    112.3 KB · Views: 56
Last edited:
Φίλε μου , εγώ δέν ειπα οτι λές ανακρίβειες (μη πέρνεις φόρα ) , ΕΙΠΑ οτι : , το σχέδιο ενός κλασσικού απομονωτή , σε σχέση με αυτό που εμφανίζεται πάω στο εν λόγω CD (mcd203 ) , δέν έχουν απολύτως καμμιά σχέση
Και επέτρεψέ μου να αμφιβάλλω μέχρι τήν εμφάνιση original σχεδίου ...

PS
Και τέλος μόνο με ΟΛΟΚΛΗΡΟ το σχέδιο μπορεί να βγεί υπεύθυνη άκρη , δέν συμφωνείς σε αυτό ..????

Φοβαμαι οτι εαν θελει κανεις να αμφιβαλλει δεν υπαρχει τροπος για το αντιθετο.
Με βαση το λινκ που εδωσα μπορουσες να εχεις βρει αυτο

http://www.lampizator.eu/LAMPIZATOR...0/SHANLING upgrate CD-T100 by lampizator.html

Και εκει μεσα το παρακατω σχεδιο (με παρομοια σχεδιαση προκειμενου να παρει μια ιδεα)

http://www.lampizator.eu/LAMPIZATOR/REFERENCES/SHANLING T100/CD-T100_Schematic Diagram.pdf

Ελπιζω αυτα να σε καλυπτουν
 
Προφανως η παραθεση του παραπανω σχεδιου δεν γινεται παρα μονο για να παρει κανεις μια ιδεα της αρχιτεκτονικης του σχεδιασμου και του σκεπτικου των modifications. Οι διαφορες βαθμιδες σιγουρα δεν ειναι ιδιες στις λεπτομερειες.
 
Φοβαμαι οτι εαν θελει κανεις να αμφιβαλλει δεν υπαρχει τροπος για το αντιθετο.
Με βαση το λινκ που εδωσα μπορουσες να εχεις βρει αυτο

http://www.lampizator.eu/LAMPIZATOR...0/SHANLING upgrate CD-T100 by lampizator.html

Και εκει μεσα το παρακατω σχεδιο (με παρομοια σχεδιαση προκειμενου να παρει μια ιδεα)

http://www.lampizator.eu/LAMPIZATOR/REFERENCES/SHANLING T100/CD-T100_Schematic Diagram.pdf

Ελπιζω αυτα να σε καλυπτουν

Δέν ξέρω ΤΙ εννοείς με το: ΑΝ ΕΧΕΙ ΚΑΝΕΙΣ ΛΟΓΟΥΣ ???? ΝΑ ΑΜΦΙΒΑΛΛΕΙ ...
Αν θέλεις σε παρακαλώ μάς το εξηγείς



VanDerZoom said:
Προφανως η παραθεση του παραπανω σχεδιου δεν γινεται παρα μονο για να παρει κανεις μια ιδεα της αρχιτεκτονικης του σχεδιασμου και του σκεπτικου των modifications. Οι διαφορες βαθμιδες σιγουρα δεν ειναι ιδιες στις λεπτομερειες.

Ευτυχώς που το αναφέρεις απο μόνος σου
Αυτό σου λέω απο τήν αρχή . μπορεί να υπάρχουν, απο μεγάλες διαφορές (άλλη τοπολογία ) μέχρι μικρές λεπτομέρειες που είναι κρίσιμες και για τήν αποδοση και για τήν αξιοπιστία σε βάθος χρόνου
 
Last edited:
Συγγνώμη , αλλά δέν μπορώ να έχω άποψη ή υπεύθυνη γνώμη απο μία φωτό
Αμα βρεθεί το σχηματικό και διαπιστωθεί οτι ισχύει και στήν πράξη , τότε το συζητάμε σε σοβαρή πλέον βάση
Φυσικά ελεύθερος είναι ο καθένας να κάνει πειράματα ...

...σαφως, εχεις δικιο δεν μπορουμε να κρινουμε απο μια φωτο και μαλιστα θολη, αλλωστε απορια εξεφρασα και οχι προτροπη για μετατροπη.
 
από μια πρώτη αναγνωση: tl072 (:bang::frusty::dead:) ως I/V αμέσως μετα το 1853, 5532 ως low pass πριν τα λαμπιόνια..