E-MU 0404 για μετρήσεις

Re: Απάντηση: Re: EMU 0404 για μετρήσεις

Μπορώ, αλλά επειδή δεν υπάρχει σχεδιάγραμμα, θα το περιγράψω:

Τελεστικός ΟΡΑ134 σε ορθή φορά με κέρδος 1, στην είσοδο διαιρέτης τάσης 6 θέσεων (συνολικά 2 ΜΩ), 0,1μF πριν από αυτόν.

Τριμεράκια παράλληλα με τις αντιστάσεις του διαιρέτη, για εξισορρόπηση στις υψηλές (όπως στα probe των παλμογράφων. Κάπου έχω και τις τιμές, πρέπει να τις βρω πρώτα.

Στην έξοδο ποτ/τρο 1 κω.

Στο δικό μου ο μεγαλύτερος λόγος υποβιβασμού είναι 40:1, σε συνδυασμό με το ποτ. στην έξοδό του, έχω μετρήσει μέχρι και 220Vrms. Το όριο πριν κλιπάρει ο τελεστικός είναι 350.

Το σχεδιάγραμμα είναι σωστό, για το ένα κανάλι;

attachment.php
 

Attachments

  • buffer.gif
    buffer.gif
    27.4 KB · Views: 198
Απάντηση: EMU 0404 για μετρήσεις

Μια χαρά, αλλά αυτά τα μεταβλητά τι είναι? αντιστάσεις ή πυκνωτές? Αν είναι πυκνωτές ο.κ, αν είναι αντιστάσεις δεν χρειάζονται. Εγώ φταίω με τα "τριμεράκια" που έγραψα: Μεταβλητούς πυκνωτές εννοώ, τους μικρούς κεραμικούς.

Η κεντρική ιδέα είναι να είναι ίσο το γινόμενο RxC σε κάθε κλάδο του διαιρέτη. Αν π.χ οι αντιστάσεις είναι 100κ και 10κ, τότε ο πυκνωτής // στη 10κ είναι 10 φορές μεγαλύτερος από αυτόν της 100.
 
Last edited:
Re: EMU 0404 για μετρήσεις

Τα έχω σχεδιάσει ως μεταβλητές αντιστάσεις - οπότε θα διορθωθεί και θα ανέβει εκ νέου για τα λοιπά μέλη.

Παράκληση
α) εάν είναι εύκολο να βρεθούν οι τιμές των αντιστάσεων τουλάχιστον.
β) φαντάζομαι για οικονομία χώρου θα μπορούσαμε να βάλουμε αντί για τον OPA134 τη στέρεο έκδοσή του 2134 ή τον 5532, έτσι;
γ) διακοπτάκια 6 θέσεων, υπάρχει κάποια συγκεκριμένη πρόταση;
 
Απάντηση: EMU 0404 για μετρήσεις

ΟΧΙ 5532 έχει χαμηλή αντίσταση εισόδου. Μόνο τελεστικοί με fet στην είσοδο. Φθηνός και αποδοτικός: LF356, υπάρχει και στα περίπτερα.

αντιστάσεις: Στο δικό μου 2ΜΩ σύνολο. 1,6ΜΩ, 200ΚΩ, 100ΚΩ, 50ΚΩ, 50ΚΩ (5,10,20,40 :1 αντίστοιχα). Για τους πυκνωτές παράλληλα, δεν είναι ότι βαριέμαι να το σχεδιάσω, είναι τόσοι πολλοί και τους έβαζα -τότε, πριν 6 χρόνια- "on the fly" για να φέρω την απόκριση flat στις διάφορες κλίμακες.
Δεν σημείωσα τιμές, και έτσι όπως είναι τώρα, δεν φαίνονται καλά.


Διακόπτης: Μου πατάς τον κάλο :-) Ότι κι αν έχω βάλει από φθηνούς περιστροφικούς (έχω αλλεργία στα ακριβά εξαρτήματα) "αρπάζει" -λίγο- 50 και 150 Ηζ θόρυβο. Περισσότερο από ότι έχει αν είχα τις αντιστάσεις μόνο, χωρίς το διακόπτη (αυτό ήταν και το "σουλούπωμα" που ήθελα να κάνω).

Μην κάνεις το δικό μου λάθος και βάλεις έναν στέρεο και για τα δυο κανάλια. Με τους κοινούς που χρησιμοποιώ εγώ και σε συνδιασμό με την πολύ μεγάλη αντίσταση εισόδου, το crosstalk είναι πολύ ψηλά. Δύο μονοί είναι καλύτερα.

Και μιας και λέμε για αντίσταση εισόδου: Εκεί είναι και το πρόβλημα: Με 20κω π.χ όλα καλά. Με 2ΜΩ, έχουμε θέμα (όχι τραγικό, -100dbV). Δεν είναι θέμα γειώσεων. Μάλλον πρέπει να δούμε προσεκτικότερα το κύκλωμα εισόδου σε κανένα παλμογράφο..
 
Last edited:
Re: EMU 0404 για μετρήσεις

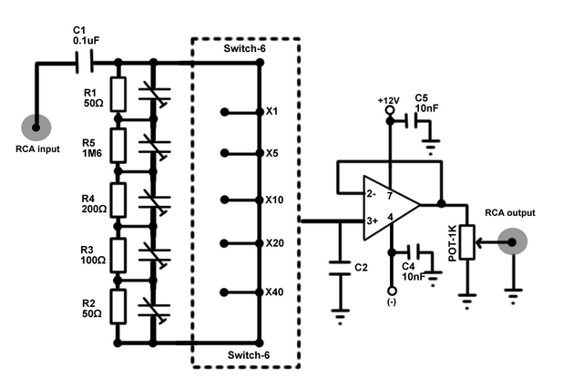
Ανεβάζω πάλι το σχέδιο, με διορθωμένα τα τριμεράκια -> πυκνωτών. Τις αντιστάσεις τις έβαλα με το μάτι, χωρίς να κάνω υπολογισμούς για να δω που ταιριάζουν με την κλίμακα των διαιρετών τάσεων.

Φαντάζομαι ότι αυτά τα τριμεράκια πρέπει να είναι κάτω από 150pF, έτσι;

Για μείωση του θορύβου από τους διακόπτες, σκέφτηκα στην αρχή την απουσία τους και τη χρήση ανά κανάλι τόσων rca, όσοι και οι διαιρέτες τάσης. Από την άλλη είναι μανούρα αυτούς που δεν χρησιμοποιείς να τους βραχυκυκλώνεις...

Για αντίσταση εισόδου, εννοείς ότι είναι μεγάλη; Εάν μειώσουμε τη συνολική αντίσταση υποβιβάζοντας την στο 1ΜΩ σε συνδιασμό με μια αλλαγή του ποτ χωρίς επίπτωση στο θόρυβο;

Και το τελευταίο...το ποτενσιόμετρο μάλλον σε καλύπτει ανάμεσα στο εύρος των διαιρετών τάσης με αλληλοκάλυψη, φαντάζομαι. Εκεί είναι προτιμότερο δύο μονοί ή ένας διπλός;
attachment.php
 

Attachments

  • buffer.gif
    buffer.gif
    41.9 KB · Views: 176
Re: EMU 0404 για μετρήσεις

Εδώ και αρκετά χρόνια χρησιμοποιώ το παρακάτω κύκλωμα για τα τεστ μου και διάφορες γενικές μετρήσεις με κάρτα ήχου EMU0202.
Τις πρώτες 2 θέσεις από κάτω τις χρησιμοποιώ για μετρήσεις χαμηλού σήματος πχ εξόδους προενισχυτών CD κλπ και τις επόμενες 2 για μετρήσεις Driver με μεγάλο πλάτος σήματος. Μπορεί να φαίνεται περίeργο λίγο το κύκλωμα της γείωσης αλλά λειτουργεί πολύ ικανοποιητικά και είναι αποτέλεσμα πολύ κόπου και ψαξίματος σε πρακτικό επίπεδο. Το ποτενσιόμετρο χρησιμεύει για να φέρνουμε τη μπάρα στο μηδέν για να έχουμε ακρίβεια στο διάβασμα των αρμονικών.
 

Attachments

  • bufferspectrum4.GIF
    bufferspectrum4.GIF
    4.3 KB · Views: 72
Re: EMU 0404 για μετρήσεις

Θα ήθελα κάποιες διευκρινήσεις επί του σχεδίου σου, εάν σου είναι εύκολο.

Το ποτ είναι στο σημείο που δείχνω με τιμή 4,7ΚΩ (λογαριθμικό);

Οι δύο δίοδοι τι τύπου είναι ή μήπως είναι ζένερ;
Οι δύο μαρκαρισμένες αντιστάσεις τι τιμές έχουν 10 & 100 Ωμ;
Οι αντιστάσεις σε τι τιμές watt πρέπει να είναι;

attachment.php
 

Attachments

  • bufferspectrum4.GIF
    bufferspectrum4.GIF
    10 KB · Views: 159
Re: EMU 0404 για μετρήσεις

Λοιπόν, το ποτενσιόμετρο είναι λογαριθμικό. Οι διοδοι ειναι απλες 1N4148. Οι δύο αντιστάσεις είναι όπως ειπες 10Ω και 100Ω 1/4W. Οι άλλες αντιστάσεις στο διαιρέτη είναι 2W αλλά αν δε θες να μετράς πλάτη σήματος ας πουμε 100VRMS μπορουν να είναι και 1/4 ή 1/2W, η 470Κ ειναι 1/4W.
Να διευκρινισω επίσης οτι το κοινό των +/- 15V της τροφοδοσίας του τελεστικού συνδεεται εκει που γράφω "0V power supply ground" και φυσικά εννοείται οτι χρειάζεται σταθεροποιημενα τροφοδοτικά ή μπαταρίες καθώς και decoupling πυκνωτες στα ποδαρακια τροφοδοσίας 1έως 47μf ηλεκτρολυτικους.
 
Απάντηση: EMU 0404 για μετρήσεις

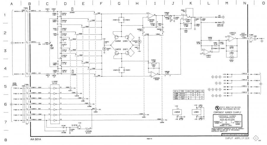
Θέλοντας να βοηθήσω προσέτρεξα στη βιβλιοθήκη μου και είδα το σύστημα εισόδου των ΑΑ501Α της Tektronix (του οποίου η ψυχή ζει στα σημερινά Audio Precision).
Σας το παραθέτω για μελέτη και νομίζω πως είναι αρκετά καλός μπούσουλας για μια κατασκευή. Να τονίσω πως μεγάλη σημασία πρέπει να δοθεί στην επιλογή των αντιστάσεων του attenuator στη είσοδο, ιδιαίτερα αν υλοποιηθεί με μορφή balanced (χρειάζεται μέτρηση και ταίριασμα των αντιστάσεων με ακρίβεια < 1% ). Η σχεδίαση του attenuator είναι του τύπου με σταθερή αντίσταση εισόδου στα 100 Kohm ενώ σχετικά ενδιαφέρον εμφανίζεται το κύκλωμα των διόδων προστασίας. Επίσης κάποιος μπορεί να παραλείψει τον τελεστικό μετατροπής (U4061) από balanced unbalanced, ιδιαίτερα να πρόκειται να οδηγήσει την EMU 0404 (η οποία έχει balanced εισόδους). Ακόμα μπορούν να παραλειφθούν οι προβλέψεις για ενίσχυση (κέρδος +10 και +20db) των τελεστικών (U4050) και να παραμείνουν με μοναδιαίο κέρδος, αρκεί να είναι σταθεροί. Τέλος η συμβουλή μου είναι να ξεχάσουμε τους περιστροφικούς διακόπτες και να βάλουμε rele αν μας ενδιαφέρει ο θόρυβος. Τουλάχιστον με μια καλή σχεδίαση πλακέτας (έστω διάτρητη, γενικών κατασκευών), ελαχιστοποιούμε την έκθεση στο θόρυβο, του προς μέτρηση σήματος.
Επίσης έψαξα και σε κλασικές βαθμίδες εισόδου παλμογράφων αλλά κατέληξα στο συμπέρασμα πως δεν αποτελούν το καλύτερο οδηγό για το σχεδιασμό βαθμίδας εισόδου σε αναλυτή audio. Παραθέτω το τμήμα της βαθμίδας ενός κλασικού ενισχυτή εργαστηριακών παλμογράφων (του 7Α26, η cowboy δεν είναι δικό μου σχέδιο αλλά αυθεντικό cartoon της ομάδας των κορυφαίων σχεδιαστών της Tek που μάλλον δεν είχαν πρόβλημα να εκφραστούν με χιούμορ ακόμα και στα επίσημα manual της εταιρίας)

Οι βασικές διαφορές μεταξύ συσκευών μέτρησης audio και παλμογράφων εντοπίζονται στα ακόλουθα τρία σημεία :

Α) Οι αντιστάσεις εισόδου των παλμογράφων είναι στα 50 ohm ή στο 1 Mohm, αντίθετα οι συσκευές μετρήσεων audio έχουν αντίσταση εισόδου 600ohm, 47 Kohm, 100 Kohm και σπανιότερα 1Mohm, ενώ η περίπτωση των 50 ohm είναι ακόμα πιο σπάνια και υπάρχει σε πολύ ειδικές περιπτώσεις.

Β) Οι είσοδοι των παλμογράφων έχουν σύζευξη συνεχούς και εναλλασσομένου, ενώ η συσκευές audio έχουν σχεδόν πάντα σύζευξη εναλλασσομένου, θωρώντας πως για τη μελέτη των DC τάσεων κατάλληλο εργαλείο είναι το βολτόμετρο – πολύμετρο.

Γ) οι είσοδοι των παλμογράφων βελτιστοποιούνται μέσω αντισταθμίσεων για υψηλές συχνότητες, Επίσης όσο ανεβαίνουν οι συχνότητες απαιτούνται ειδικά υλικά όπως αντιστάσεις σε ειδικές κεραμικές βάσεις (συνήθως του τύπου thick film και σχεδόν πάντα customized). Στις συσκευές μετρήσεων audio υπάρχουν μικρά κυκλώματα που υλοποιούν φίλτρα με απλά υλικά, κυρίως στην είσοδο για λόγους σταθερότητας και μείωσης του θορύβου (πράγμα σημαντικό για της μετρήσεις THD +N). Ειδικότερα στους παλμογράφους ο θόρυβος με βάση τα κριτήρια των μετρητικών συσκευών audio είναι αρκετά μεγάλος.

Ελπίζω να σας φανούν χρήσιμα τουλάχιστον σαν ανάγνωση και ίσως για μελλοντικές κατασκευές.
 
Απάντηση: EMU 0404 για μετρήσεις

jpeg 7A26 + AA501
 

Attachments

  • Tektronix  7A26.jpg
    Tektronix 7A26.jpg
    46.8 KB · Views: 71
  • Tektronix  AA501A.jpg
    Tektronix AA501A.jpg
    60.1 KB · Views: 67
Re: EMU 0404 για μετρήσεις

Μπραβο,,,απο τα πιο όμορφα και κατατοπιστικά thread που εχω διαβασει γύρω απο αυτα τα θεματα ,,,μαλλον το καλύτερο . :operator:
 
Re: EMU 0404 για μετρήσεις

Ντίνο ευχαριστούμε για άλλη μια φορά. Αν γίνεται θα χρειαστούμε τα σχέδια σε λίγο μεγαλύτερη ανάλυση γιατί ίσα που φαίνονται.
Κατά τ'άλλα η Τek είναι διάσημη για τα συγκεκριμένα cartoon και έχει άπειρα στα περισσότερα σχέδιά της, απλά φοβεροί οι άνθρωποι!
 
Απάντηση: EMU 0404 για μετρήσεις

Δυστυχώς υπήρχε όριο μεγέθους του αρχείου για μεγαλύτερη ανάλυση. Μια λύση θα ήταν να το στείλω στα mail όσων θελήσουν.
 
Re: EMU 0404 για μετρήσεις

Ντίνο, λάβε με υπόψη για το mail...

Στον ιστότοπο του προγράμματος Visual Analyser, δίνονται κάποιοι σύνδεσμοι από την παρουσίαση του προγράμματος στο περιοδικό Nuova Ellectronica, αλλά και του ειδικού hardware που συνοδεύει το Visual Analyser.

Από αυτό το σχέδιο σας παραθέτω ένα μέρος του, που σχετίζεται με το ζητούμενο του buffer στην emu 0404.

Περισσότερα επί του σχεδίου και του ειδικού κυκώματος υποστήριξης του Visual Analyser, θα βρείτε στον ιστότοπο http://www.sillanumsoft.org και στο απευθείας pdf αρχείο (είναι στα ιταλικά) http://www.sillanumsoft.org/Download/NE1.zip
 

Attachments

  • 2010-03-08_184817.jpg
    2010-03-08_184817.jpg
    43 KB · Views: 67
Re: EMU 0404 για μετρήσεις

Για δέστε και αυτή την κατασκευή input buffer.

http://www.pmillett.com/ATEST.htm

Από μια γρήγορη ματιά που είδα, δίνει το πλήρη σχέδιο του κυκλώματος και το αναλύει. Έχει και το pcb στο ebay.


  • δέχεται ένα μεγάλο εύρος τάσης και να τις προσαρμόζει κατάλληλα για είσοδο σε κάρτες ήχου.
  • προστατεύει από υπερφορτώσεις τάσεως
  • έχει AC-σύζευξη για προστασία από dc τάσεις.
  • έχει αξιοσημείωτη υψηλή αντίσταση εισόδου
  • ενισχύει + buffer την έξοδο της κάρτας ήχου, με πολύ χαμηλή παραμόρφωση
  • μετρά το σήμα σε ACrms.
  • υποστηρίζει balanced & unbalanced
 
Re: EMU 0404 για μετρήσεις

Γνωρίζει κάποιος ποια είναι η χωρητικότητα της αναλογικής εισόδου της 0404? Δυστυχώς στα τεχνικά χαρακτηριστικά δεν αναφέρει τη χωρητικότητα.
 
Re: EMU 0404 για μετρήσεις

Με ένα απλό πολύμετρο, μετρώντας τα (+) με την γείωση ενός στέρεο 1/4 καρφί, βλέπω 430pF.
Ας επιβεβαιώσει κάποιος με καλύτερο πολύμετρο.