Γιώργος(MAC)
Senior Member
- 28 December 2007
- 521
Λόγω του ότι αποκλείεται να έχουν τις ίδιες χροιές και οδήγηση, ποιούς συνιστά, προτείνει η εταιρεία για τα ηχεία της?
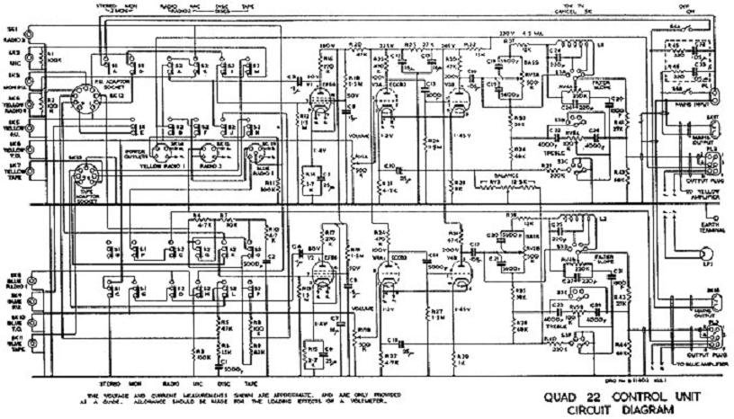
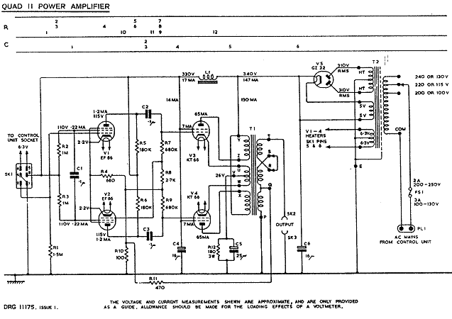
22, QII και κατόπιν
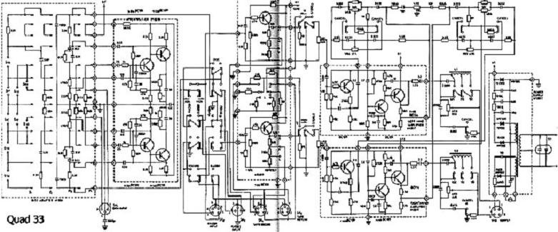
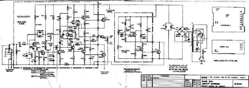
33, 303, 405 κλπ.
Και κάτι άλλο: Γνωρίζεις πως αντιμετωπίζουν το θέμα καταπολέμησης της δημιουργίας τόξου οι ανταγωνιστές της Quad και ιδιαίτερα η Martin Logan; Έχω φίλο και συνφορουμίτη που έχει τα Aeon ΙΙ και ανεβάζει στάθμες πάνω από 100db χωρίς να πετύχουμε ποτέ κανένα 'τσαφ'.
Λόγω του ότι αποκλείεται να έχουν τις ίδιες χροιές και οδήγηση, ποιούς συνιστά, προτείνει η εταιρεία για τα ηχεία της?




We use essential cookies to make this site work, and optional cookies to enhance your experience.