Τρίδρομο μπελά έβαλα στο κεφάλι μου....

εξαρτάται και τις χωρητικότητες που χρειάζεσαι. Υπαρχουν περιπτώσεις που αναγκάζεσαι να χρησιμοποιήσεις παραλληλα στο σήμα μεγαλες τιμές χωρητικότητας, συνεπώς πέρα απο την ακριβή τιμή των πλαστικών, προβλημα αποτελεί και το μέγεθος, πόσο μαλλον αν προκειται και για μικρό ηχείο
 
Θεοθάν ακόμα δεν μπορω να χωνέψω το ότι εχεις αφήσει τα ροιστερ με το μαμα κρος ! Αμα βαριέσαι να στο σιάξω εγω ρε παιδί μου !!
 
Απάντηση: Re: Τρίδρομο μπελά έβαλα στο κεφάλι μου....

Θεοθάν ακόμα δεν μπορω να χωνέψω το ότι εχεις αφήσει τα ροιστερ με το μαμα κρος ! Αμα βαριέσαι να στο σιάξω εγω ρε παιδί μου !!


Γιατί ρε Τζών να μπω σε φασαρία στα καλά καθούμενα ???

Το ηχείο ακούγεται πολύ καλά, μετράει καλά (σιγά μη δεν το μέτραγα....:grinning-smiley-043), "θέματα" στον ήχο του αλλά και στις μετρήσεις του δεν προκύπτουν, και όλα αυτά με ένα υπεραπλουστευμένο κρός 1 πηνίου στα γούφερ, 1 πυκνωτή στο τουίτερ και 1 L-pad στο τουίτερ....Προφανώς λόγω των ελάχιστων υλικών η ποιότητά τους είναι ήδη πολύ καλή, οπότε δεν έχει και νόημα η πιθανή αναβάθμιση ποιότητά τους... Όταν πετυχαίνεις καλό ήχο και "αξιοπρεπείς" μετρήσεις με τόσα λίγα εξαρτήματα γιατί να πας γυρεύοντας για μπελάδες και έξοδα ???
Το μόνο που ίσως δεν θα ήταν άσχημη ιδέα είναι η προσθήκη ενός RLC για να ισιώσει η αντίστασή του και η φάση της αλλά αυτό μπορεί να περιμένει...

Εξ' άλλου τα μεγάφωνα που φοράει δεν είναι και τίποτα Hi-end που να μπορείς να πείς ότι έχουν να προσφέρουν πολλά παραπάνω από αυτά που παίζουν... 2 ταπεινά Fiberglass γουφεράκια με πλαστικό σασί και ένα απλό D-27 διπλού θαλάμου είναι...

Το μόνο που έκανα ήταν να αντικαταστήσω όλες τις βίδες (τα υπάρχοντα βιδάκια ήταν γελοιωδώς μικρά και τα μισά ΗΔΗ κλωτσημένα...) ώστε και τα μεγάφωνα να "δέσουν" σωστά στην μπάφλα, και ταυτόχρονα να αποκατασταθεί η στεγανότητά του που ήταν προβληματική (το ηχείο "έχανε" αέρα καταφανέστατα τόσο από τις μπόρνες πίσω, όσο και από τις πατούρες των τουίτερ...).

Τώρα αν εσένα σε τρώει ο κ@λ@ς σου για σκαλίσματα... αυτό είναι άλλο θέμα... :silly:
 
καλά ντε μη βαράς.. απλά επειδή έχω δει στην πραξη ηχεία να ανεβαίνουν 2 κατηγορίες αλλάζοντας το κρος, ε πηρα λίγη φόρα παραπάνω !
 
Απάντηση: Re: Τρίδρομο μπελά έβαλα στο κεφάλι μου....

απλά επειδή έχω δει στην πραξη ηχεία να ανεβαίνουν 2 κατηγορίες αλλάζοντας το κρος, ε πηρα λίγη φόρα παραπάνω !

Δεν έχεις άδικο αλλά κάθε περίπτωση είναι διαφορετική και θέλει διαφορετική αντιμετώπιση...στην συγκεκριμένη, η αίσθησή μου είναι ότι το κόστος και το ρίσκο είναι μεγάλα σε σχέση με τα ΠΙΘΑΝΑ προσδοκώμενα οφέλη...
Νομίζεις ότι αν πίστευα διαφορετικά θα είχα κανένα φραγμό να το κάνω βίδες ???
 
εντάξει, αλλά η λέξη ρίσκο δεν κολλάει.. τι ρισκο, δεν πειραζεις το μαμά crossover, το αφήνεις στην ακρη και φτιαχνεις αλλο, αν δεν "κάτσει" - που αποκλείεται, σου 'χω εμπιστοσύνη, επαναφέρεις το μαμά. (Αν και αν τα εχεις τελικα μονο για ταινίες δεν εχει και τόσο νοημα.. εφαγα μια ήττα χθες... εβαλα εναν πολυκαναλο Pioneer 417 στην θέση του δικάναλου Sony 3ES και απογοητεύτηκα τραγικά... μα πολύ τραγικά..)
 
εντάξει, αλλά η λέξη ρίσκο δεν κολλάει.. τι ρισκο, δεν πειραζεις το μαμά crossover, το αφήνεις στην ακρη και φτιαχνεις αλλο, αν δεν "κάτσει" - που αποκλείεται, σου 'χω εμπιστοσύνη, επαναφέρεις το μαμά. (Αν και αν τα εχεις τελικα μονο για ταινίες δεν εχει και τόσο νοημα.. εφαγα μια ήττα χθες... εβαλα εναν πολυκαναλο Pioneer 417 στην θέση του δικάναλου Sony 3ES και απογοητεύτηκα τραγικά... μα πολύ τραγικά..)

Κύλισε ο τέντζερης και ήρθε σε επαφή με το καπάκι ....:grinning-smiley-043
Αντε στα διάλα , είχαμε τον ένα ξυνό , έχουμε τώρα και το μπετόν ....:smash:-bye-:grinning-smiley-043

...και καλά να πάθεις με τον πολυκάναλο .....:damnyou::grinning-smiley-043
 
Aμ του τα'λεγα εγώ τότενες, αλλά ΟΟΟΟΟΟΟΟΟΧΙ, ο mr Iknowitall ήθελε Πιονέρι. Πάρτα τώρα.
 
Απάντηση: Re: Τρίδρομο μπελά έβαλα στο κεφάλι μου....

(Αν και αν τα εχεις τελικα μονο για ταινίες δεν εχει και τόσο νοημα.. εφαγα μια ήττα χθες... εβαλα εναν πολυκαναλο Pioneer 417 στην θέση του δικάναλου Sony 3ES και απογοητεύτηκα τραγικά... μα πολύ τραγικά..)

Η αλήθεια είναι ότι πλέον το σύστημα δουλεύει κυρίως σε Home-cinema χρήση και σπάνια έχω την πολυτέλεια της ακρόασης μουσικής (δεν μιλάω όταν απλά παίζει "συνοδευτικά" την ώρα που ασχολούμαι με κάτι άλλο...)

Όσο για τον 5κάναλο...τουλάχιστον 2-3 μικρομεσαίας κατηγορίας τιμής 5κάναλοι που έχουν περάσει από τα χέρια μου έχουν σεβαστή διαφορά προς το χειρότερο από έναν έστω και απλά αξιοπρεπή δικάναλο...όσο για σύγκριση με τελικό - άστα να πάνε....
 
Απάντηση: Re: Τρίδρομο μπελά έβαλα στο κεφάλι μου....

Είχατε δεν είχατε με ξεσηκώσατε πάλι.
Ζήλεψα.
Ντουγρού για τρίδρομο και εγώ.:idea:


Καλή επιτυχία αν τελικά προσπαθήσεις....

αν μου επιτρέπεις μια συμβουλή....επειδή είναι δύσκολη περίπτωση το τρίδρομο και οι μεταβλητές πάρα πολλές, είναι πολύ κρίσιμο να γίνουν σωστές αρχικές επιλογές και σωστή προκαταρκτική σχεδίαση πριν καν αγοραστεί οτιδήποτε...να είσαι σίγουρος ότι οποιοδήποτε αρχικό λάθος θα βγεί καραμπινάτα στην επιφάνεια στην πορεία και θα σε ταλαιπωρήσει πολύ...
Και για το δίδρομο φυσικά ισχύει αυτό αλλά στο τρίδρομο πολύ περισσότερο γιατί υπάρχουν πολλά περισσότερα σημεία στα οποία κάτι μπορεί να πάει στραβά...Φυσικά υπάρχει και η άλλη όψη του νομίσματος που λέει ότι λόγω των 3 δρόμων έχεις μεγαλύτερα περιθώρια ευελιξίας για να ξεπεράσεις κάτι στραβό που θα προκύψει...σε κάθε περίπτωση όμως η ταλαιπωρία είναι εξασφαλισμένη...


Και επί τη ευκαιρία να πω ότι το ηχείο έχει πλέον τελειώσει οριστικά...Μάλιστα αυτές τις μέρες αναμένονται οι καμπίνες από τον λουστραδόρο ώστε να γίνει η τελική συναρμολόγηση...από τις ακουστικές δοκιμές στο σπίτι του ιδιοκτήτη γίναν κάποιες αλλαγές στο κροσσόβερ που μια από αυτές τις ημέρες θα βρώ χρόνο να τις περιγράψω....
 
Re: Απάντηση: Re: Τρίδρομο μπελά έβαλα στο κεφάλι μου....

αν μου επιτρέπεις μια συμβουλή....επειδή είναι δύσκολη περίπτωση το τρίδρομο και οι μεταβλητές πάρα πολλές, είναι πολύ κρίσιμο να γίνουν σωστές αρχικές επιλογές και σωστή προκαταρκτική σχεδίαση πριν καν αγοραστεί οτιδήποτε...
Μες το μυαλό μου είσαι; Ετσι έγιναν τα πράγματα ακριβώς. Σε μια στιγμή αδυναμίας αγόρασα τα μεγάφωνα, και τώρα δουλεύω δύο τρία μοντέλα και δεν μου φτάνουν τα λίτρα με τίποτα.
Τέλος πάντων θα επανέρθω με νέο θέμα όταν έχω στα χέρια μου τα μεγάφωνα και πάρω τις πρώτες μετρήσεις.
 
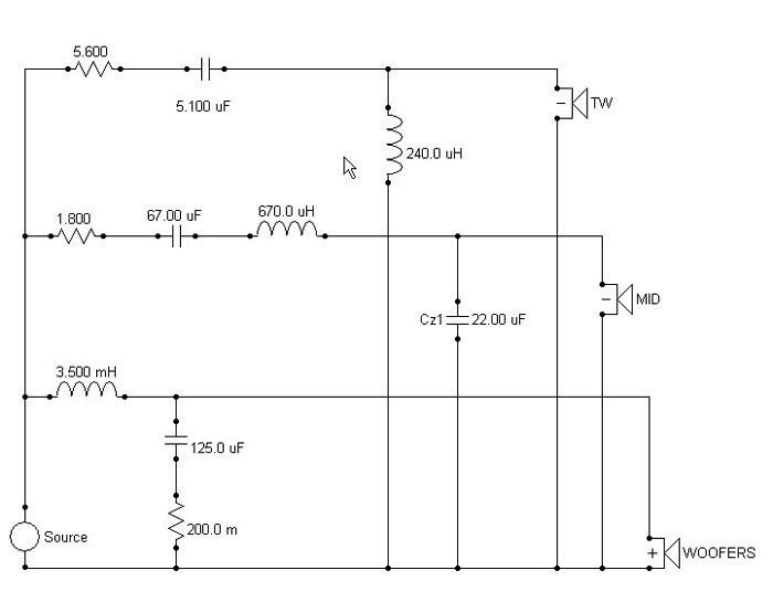
kαι για να ολοκληρώσω την παρουσίαση παραθέτω το τελικό κύκλωμα που προέκυψε από το ακουστικό fine-tuning.To κύκλωμα διατηρεί αρκετά ίδια στοιχεία με εκείνο που είχε προκύψει σπίτι μου και οι αλλαγές είναι σχετικά μικρές και μάλιστα οδηγούν και σε λίγο ακόμα απλούστερο κύκλωμα σε σχέση με πρίν...

Ας το δούμε λοιπόν ανα κλάδο.
Κλάδος γούφερ
1. Πυρηνάτο πηνίο πάχους 1,5χιλ και αυτεπαγωγής 3,5mH (Ισχύει το ίδιο με προηγουμένως - η τιμή των 3,5mH έχει μετρηθεί στα 100ΗΖ. Λόγω του πυρήνα το πηνίο παρουσιάζει μεταβαλλόμενη αυτεπαγωγή και στην συχνότητα κρος των 350ΗΖ μετράει 3,35mH, ενώ στα τυπικά 1000ΗΖ μετράει 3,12mH...). Το Rdc του πηνίου μετρήθηκε στα 0,45 Ωμ.
2. Παραλληλισμένοι ηλεκτρολυτικοί πυκνωτές 3χ33μF + 1χ22μF – Η τελική τιμή στην περιοχή 300-500ΗΖ μετριέται στα 122μF με διακύμανση 2-3μF.
3. Η αντίσταση των 0,2 Ωμ ΔΕΝ είναι πραγματική αλλά εκφράζει την μετρημένη αντίσταση των παραλληλισμένων ηλεκτρολυτικών πυκνωτών

Κλάδος μεσαίου
1. Αντίσταση τουβλάκι 1,8 Ωμ - 15Watt
2. MKT παραλληλισμένοι πυκνωτές ονομαστικής χωρητικότητας 68μF. Προκύπτει από 1χ33μF + 1χ25μF + 1χ10 μF αν και μέτρησαν στα 67μF συνολικά.
3. Πηνίο αέρος πάχους 1,2χιλ με αυτεπαγωγή 0,67mH και Rdc=0,36Ωμ.
4. ΜΚΤ παραλληλισμένοι πυκνωτές ονομαστικής τιμής 21,8μF. Προκύπτει από 1χ15μF + 1χ6,8 μF

Κλάδος τουίτερ
1. Αντίσταση τουβλάκι 5,6 Ωμ - 5watt
2. ΜΚΤ πυκνωτές 4,7μF + 0,33μF. Συνολικά μετρήθηκε στα 5,1μF
3. Πηνίο αέρος πάχους 1χιλ με αυτεπαγωγή 0,24mH και Rdc=0,28Ωμ.
 

Attachments

  • ScreenHunter_004.jpg
    ScreenHunter_004.jpg
    34.8 KB · Views: 126
To κροσσόβερ βελτιστοποιήθηκε εξ´ολοκλήρου με το αυτί και ακολούθησαν οι εξομοιώσεις σε 2ο βαθμό....Δεν είναι πραγματικές μετρήσεις αλλά η ακρίβεια μεταξύ εξομοιώσεων και μετρήσεων όπως είδαμε και προηγουμενως είναι εκπληκτική ...Επιπλέον κατά την εξομοίωση του κυκλώματος η τιμή του πηνίου των γούφερ ήταν τα 3,3mH που αντιπροσωπεύει την μέση τιμή μεταξύ 300-500ΗΖ και με αυτόν τον τρόπο η εξομοίωση αναμένεται να είναι απολύτως ίδια με τυχόν μέτρηση

Από αριστερά προς δεξιά

1. Απόκριση συχνότητας on axis στον άξονα του τουίτερ μαζί με τις επιμέρους αποκρίσεις των μεγαφώνων

2. Απόκριση συχνότητας on axis στον άξονα του τουίτερ μαζί με τις επιμέρους αποκρίσεις των μεγαφώνων με το μεσαίο με ανεσταραμμένη πολικότητα

3. Η ολική απόκριση του ηχείου αφού έχει εφαρμοστεί ένα smoothness 1/3 της οκτάβας μαζί με την στάθμη αναφοράς στα 89db/watt/2,83V.

4. Διάγραμμα αντίστασης πάνω από τα 100ΗΖ (μαύρο) μαζί με την φάση της (ρόζ).

Όλες οι ακουστικές μετρήσεις είναι ακριβείς πάνω από τα 280-300ΗΖ

Σχολιασμός και τελικά συμπεράσματα αργότερα....
 

Attachments

  • ScreenHunter_002.jpg
    ScreenHunter_002.jpg
    100.3 KB · Views: 104
  • ScreenHunter_001.jpg
    ScreenHunter_001.jpg
    101 KB · Views: 93
  • ScreenHunter_003.jpg
    ScreenHunter_003.jpg
    94.2 KB · Views: 110
  • ScreenHunter_005.jpg
    ScreenHunter_005.jpg
    79.4 KB · Views: 96
Και αυτές είναι οι συναρτήσεις μεταφοράς των φίλτρων που προκύπτουν από την επίδραση του κυκλώματος διαχωρισμού
 

Attachments

  • ScreenHunter_001.jpg
    ScreenHunter_001.jpg
    97.5 KB · Views: 91
Ας προσπαθήσω να τις σχολιάσω λίγο....
Οπως φαίνεται από τα σχεδιαγράμματα η ολική απόκριση του ηχείου είναι αρκετά ομαλή με μια εξαιρετική περιοχή από τα χαμηλά μέχρι τα 700ΗΖ, παρουσιάζει μια κορύφωση των 2,5-3 db στην περιοχή 700-1300ΗΖ λόγω της γνωστής πια ενίσχυσης από την μπάφλα, μια ομαλή βύθιση 1-3db στην υψηλομεσαία περιοχή 1,5-6,5 ΚΗΖ που βοηθάει στο να μην τρυπάει τα αυτιά όταν οι εντάσεις ανεβαίνουν, και από εκεί και πάνω σκαρφαλώνει πάλι λίγο κάτω από την στάθμη αναφοράς έως το πάνω ακουστικό όριο με πάντα παρούσα την κορύφωση-συντονισμό στα 19,5ΚΗΖ που παρουσιάζει το τουίτερ....

Γενικά κυμαίνεται σε ένα αποδεκτό +/- 3db, ενώ η ΑΝΟΗΧΙΚΗ στάθμη των χαμηλών στο πλατώ κάτω από τα 150ΗΖ είναι 1-1,5db χαμηλότερη από τα 89db ελπίζοντας ότι ο χώρος και η τοποθέτηση εύκολα θα αναπληρώσουν αυτό το μικρό "έλλειμα".

Η f-3 συχνότητα αποκοπής των χαμηλών υπολογίζεται (και μετριέται εν μέρει) στο εξαιρετικά 36-37ΗΖ πράγμα που προσδίδει στο ηχείο πολύ καλές επιδόσεις σε home-cinema χρήση χωρίς ντε και καλά την αναγκαιότητα για subwoofer (όχι όμως ότι θα χάλαγε και κανέναν...).

Η αναστροφή πολικότητας στο μεσαίο φανερώνει 2 συμμετρικές και αρκετά βαθιές τρύπες στα σημεία διαχωρισμού δείχνοντας ένα καλό ταίριασμα των φάσεων, ενώ και το προφίλ της αντίστασης είναι πολύ καλά αποδεκτό για 4Ωμο ηχείο με ελάχιστη τιμή τα σχεδόν 3 Ωμ και αυτό για πολύ στενή περιοχή συχνοτήτων γύρω από τα 150ΗΖ, και χωρίς μεγάλες μεταβολές της τιμής ή της φάσης της πάνω από τα 100ΗΖ...

Στίς ακροάσεις έδειξε έναν δικό του χαρακτήρα...Ρωμαλέο, βαθύ, και στιβαρό χαμηλό (σε ταινίες με μικρή ενίσχυση των χαμηλών από τoν A/V σε κάνει να ψάχνεις το κρυμμένο subwoofer), μια μεσαία περιοχή που αν και λίγο πιο φωτεινή από το φυσιολογικό δεν κουράζει και μάλιστα χαρίζει και μια επιπλέον αίσθηση λεπτομέρειας και παρουσίας, και με εξαιρετικά πρίμα που είναι λαμπερά αλλά ταυτόχρονα "ζεστά"... Δύσκολες και υποκειμενικές έννοιες αυτά, αλλά δυστυχώς δεν υπάρχουν αντικειμενικές λέξεις για να περιγράψεις κάτι τόσο υποκειμενικό όσο ο ήχος...

Χωρίς να μπορώ να το πω "δύσκολο" ή "απαιτητικό", το ηχείο δείχνει να θέλει έναν στιβαρό ενισχυτή για να ξεδιπλώσει τον ήχο του σε μεγάλες στάθμες, και αδύναμοι δικάναλλοι ή τυπικοί 5κάναλοι μάλλον θα τα βρούνε σκούρα μαζί του...Ένας τελικός ή τέλος πάντων κάποιος στιβαρός ενισχυτής είναι σαφώς το φυσικό του ταίρι αν θέλεις να πάρεις ότι έχει να σου δώσει...

Με δεδομένες τις αρχικές επιλογές και την πορεία που ακολουθήθηκε για τον σχεδιασμό του (υπενθυμίζω ότι η αρχική επιλογή των μεγαφώνων χαμηλών έγινε αρχικά για δίδρομο ηχείο), νομίζω ότι δύσκολα θα μπορούσε να γίνει κάτι αισθητά καλύτερο στα πλαίσια ενός λογικού κόστους...
Κάτι παρόμοιο αλλά με μεγαλύτερα γούφερ (22άρια και πιθανώς και 16ωμα...), ίσως 6,5άρι μεσαίο, και με διαφορετική χωροταξική σχεδίαση όσο αφορά τοποθέτηση μεγαφώνων στην μπάφλα θα ήταν πιο ολοκληρωμένη πρόταση αν και θα απαιτούσε 15-20 λίτρα περισσότερα...Σίγουρα αν ξαναξεκίναγα σήμερα αυτόν τον δρόμο θα ακολουθούσα...
 
Last edited: