Τρίδρομο μπελά έβαλα στο κεφάλι μου....

Ας τις δούμε λίγο καλύτερα....
Τα γούφερ κατ' αρχάς επιβεβαιώνουν μια συχνότητα συντονισμού του συστήματος στα 39,3ΗΖ - τουλάχιστον εκεί η φάση της αντίστασης διέρχεται από τον άξονα των 0 μοιρών και συμπίπτει με διαφορά μερικών δεκάτων του ΗΖ με την ελάχιστη τιμή της αντίστασης μεταξύ των 2 κορυφώσεων...
Μικρές διαφορές μεταξύ τους στην χαμηλή περιοχή και ΤΑΥΤΟΣΗΜΕΣ καμπύλες όσο αφορά το πηνίο φωνής πάνω από τα 200ΗΖ. Ακριβώς για να γίνει εμφανής ακόμα και η μικρότερη διαφορά στις μετρήσεις δεν έχει εφαρμοστεί καθόλου smoothness...
Δεν αποκλείεται αυτές οι μικροδιαφορές στην χαμηλή περιοχή να οφείλονται εν μέρει και σε ελάχιστα διαφορετικής πυκνότητας γέμισμα της καμπίνας με ακρυλική βάτα...δεν κάθησα να ζυγίσω με ζυγαριά ακριβείας - με το μάτι τα έβαλα... Κανονικά θα έπρεπε να μετρήσω ξεχωριστά και τα 4 γούφερ και μετά να τα δέσω σε ζευγάρια ανάλογα τις παραμέτρους αλλά, αυτό ήταν κάτι που ξεπερνούσε τις αντοχές μου μιας και από μόνο του απαιτεί πολλές ώρες δουλειάς και δεν είμαι και τόσο μαζοχιστής...
Η ελάχιστη αντίσταση στον συντονισμό είναι της τάξης των 4+κάτι Ωμ, ενώ η ελάχιστη μετά τον συντονισμό ανέρχεται στα 3,4 Ωμ με φυσιολογική άνοδο λόγω αυτεπαγωγής από εκεί και πάνω...
Εδώ να προσθέσω ότι οι συγκεκριμένες μετρήσεις είναι με τα μεγάφωνα σε ΚΡΥΑ κατάσταση και μετρώντας αμέσως μετά από ώρα λειτουργίας υπάρχουν μικροδιαφορές που όμως φέρνουν τα ζευγάρια των μεγαφώνων ακόμα πιο κοντά μεταξύ τους !!!


Για το μεσαίο τι να πείς....ΑΠΟΛΥΤΗ ταύτιση σε βαθμό που δυσκολεύεσαι να ξεχωρίσεις ότι πρόκειται για 2 διαφορετικά μεγάφωνα...Ο 2 λιτρος θάλαμος σχεδόν γεμάτος με μαλλί και βάτα τα συντονίζει στα 157-158 ΗΖ και όλα δείχνουν ιδανικά...η εικόνα μιλάει από μόνη της...Τα συγχαρητήριά μου στην Vifa...


Η Focal μας τα χαλάει λίγο...Κατ' αρχάς οι προδιαγραφές του μεγαφώνου μιλούσαν για Fs 970 HZ και στις μετρήσεις δείχνουν 1.180-1190 ΗΖ....Μάλλον θα υπάρχουν διαφορετικές παρτίδες παραγωγής με διαφορές μεταξύ τους... Δεν αποκλείεται ένας από τους λόγους που το μεγάφωνο δεν "κάθησε" σε χαμηλό κρος να είναι και αυτός...Εκ των υστέρων έμαθα ότι για το 120άρι η Focal προτείνει ελάχιστη συχνότητα κροσσαρίσματος τα 3+ΚΗΖ και το παράδοξο είναι ότι την ίδια ώρα για το μικρότερο 90άρι προτείνει έως 2ΚΗΖ !!! Περίεργα πράγματα...
Διαφορές παρατηρούμε και στον συντονισμό μεταξύ των μεγαφώνων μάλλον λόγω της ύπαρξης ferrofluid, ευτυχώς όμως οι καμπύλες από τα 2ΚΗΖ και πάνω που θα επηρεάσουν την λειτουργία του κροσσόβερ είναι ουσιαστικά πανομοιότυπες...Οι διαφορές μεταξύ τους στην εμπέδηση μου βάλανε ψύλλους στα αυτιά, αλλά ευτυχώς οι μετρήσεις απόκρισης πιο μετά έδειξαν πολύ καλύτερη ομοιότητα μεταξύ τους και έτσι δεν έχουμε κανένα θέμα ταιριάσματος....
Το τσίμπημα στα 19ΚΗΖ δεν περνάει απαρατήρητο και έχει αντίστοιχη συνέπεια και στην απόκριση συχνότητας που στο ίδιο σημείο παρουσιάζει μια κορύφωση περίπου 5 db...Προφανώς είναι κάποιος συντονισμός αλλά δεν ξέρω αν οφείλεται στον θόλο ή στο phase-plug και δεν είχα καμμιά όρεξη να το ψάξω παραπέρα (λυπήσουμε ρε Μανώλη...) αφού έτσι κι αλλιώς δεν θα μπορούσα να κάνω και τίποτα σε επίπεδο αντίστασης...
 
Last edited:
Αυτά που είδες για το 120άρι και το 90ντάρι είχα δει και γω και έμεινα στο 90.
Το οποίο κάθετε ωραία στα 1,8Κ!
Νομίζω όμως πως το 120 και λόγω υγρών, αντέχει περισσότερο βαταζ.
Άρα θα είναι σε ψηλές εντάσεις γραμμικότερο.
Και το λέω αυτό γιατί οι μετρήσεις στο 1W λένε πάντα τη μισή... αλήθεια...
 
Αυτά που είδες για το 120άρι και το 90ντάρι είχα δει και γω και έμεινα στο 90.
Το οποίο κάθετε ωραία στα 1,8Κ!
Νομίζω όμως πως το 120 και λόγω υγρών, αντέχει περισσότερο βαταζ.
Άρα θα είναι σε ψηλές εντάσεις γραμμικότερο.
Και το λέω αυτό γιατί οι μετρήσεις στο 1W λένε πάντα τη μισή... αλήθεια...

Σωστός...
Τώρα το κατάλαβα και εγώ...όταν έψαχνα για τουίτερ, και ενώ είχα βάλει σκοπό να χρησιμοποιήσω κάποιο από τα Focal, "μου έκατσε" μπροστά μου το 120άρι που δεν γνώριζα τις ιδιαιτερότητές του.
Βιαστικά, χωρίς να ψάξω το θέμα σε βάθος, και παρασυρόμενος από την λογική του "αφού μας είναι αρκετό το 90άρι, δεν θα μας είναι το μεγαλύτερο 120άρι ???" το πήρα και μετά σιγά-σιγά ανακάλυπτα τα θέματα στην πορεία...

όσο για την ισχύ και την γραμμικότητα... όντως δεν τίθεται καν θέμα....Το τουίτερ έχει κροσσαριστεί με 3η ηλεκτρική τάξη λίγο πάνω από τα 3ΚΗΖ...ταυτόχρονα (επειδή είναι και αρκετά ευαίσθητο...) παίζει κομμένο με μείον 4-4,5db κάτω από την στάθμη του....Προφανώς με αυτό το configuration μπορεί να αντέξει "άπειρα" βατ, και αν κάποιο από τα μεγάφωνα φθάσει στα όριά του από άποψη ισχύος-γραμμικότητας αυτό σίγουρα δεν θα είναι το τουίτερ...
 
Last edited:
Και ήρθε ή ώρα να δούμε πως μέτρησαν ακουστικά τα μεγάφωνα...

Και ας ξεκινήσουμε από τα τουίτερ...Οι μετρήσεις είναι σε απόσταση 1,2 μέτρα από την μπάφλα και με άξονα τον άξονα του τουίτερ...Η ακρίβειά τους είναι μέχρι την περιοχή των 300ΗΖ και τουλάχιστον για το τουίτερ και το μεσαίο είναι αρκετές για να εκτιμηθεί η συμπεριφορά τους...
Στο σχήμα έχουν προστεθεί οι αποκρίσεις και των 2 τουίτερ για να ολοκληρωθεί η εκτίμηση για την ομοιότητα μεταξύ των ηχείων.

Πέρα από την άξιολόγηση της απόκρισης, φαίνεται η καλή έως άριστη ομοιότητα των θόλων που αν εξαιρέσεις μια διαφορά της τάξης του 1db στην περιοχή των 4ΚΗΖ, διατηρούν μια πονομοιότυπη απόκριση συχνότητας μέχρι το όριο της μέτρησης - εντυπωσιακό μιας και συνήθως στα περισσότερα τουίτερ οι διαφορές εντοπίζονται πάνω από τα 10ΚΗΖ...με όσα φαίνονται μέχρι στιγμής και όσα θα ακολουθήσουν είναι ξεκάθαρο ότι τα ηχεία θα παίζουν απολύτως όμοια μεταξύ τους συμβάλλοντας στο να σχηματίσουν μια ξεκάθαρη, οριοθετημένη και συμπαγής στερεοφωνική εικόνα..

Η μύτη στα 19,5ΚΗΖ προφανώς δεν μπορεί να περάσει απαρατήρητη...Τσιμπάει γύρω στα 5db και οφείλεται στον συντονισμό που είδαμε και στην μέτρηση της αντίστασης. Εδώ υπάρχουν σχολές και απόψεις...Κάποιοι προτείνουν αντισταθμιστικό RLC για να καταπνίξουν τον συντονισμό με την θεωρία ότι ακόμα και αν δεν είναι ακουστός (προσωπικά καρατσεκαρισμένα δεν ακούω πάνω από 16ΚΗΖ...) άπαξ και διεγερθεί προκαλεί κύματα συντονισμού που εισδείουν στην ακουστή περιοχή λερώνοντας την αναπαραγωγή...
Στα αποσβενυόμενα φάσματα φαίνεται ξεκάθαρα πόσο επιμένει ο συντονισμός σε αυτήν την περιοχή μη αφήνοντας τον ήχο να σβήσει, ενώ κατά τ' άλλα το τουίτερ επέδειξε μια πολύ γρήγορη-καθαρή συμπεριφορά στο φάσμα που μας ενδιαφέρει...
Εγώ προσωπικά δεν μπορώ να πω ασπάζομαι την άποψη αυτή αλλά δεν μπορώ να πω ότι την απορρίπτω κιόλας...Θέλει εξαντλητικά τυφλά ακουστικά τέστ με το κατάλληλο υλικό και μετρήσεις για να δείξει αν και σε τι βαθμό είναι ακουστό το φαινόμενο...
Παρ' όλα αυτά, μην ξεχνάμε ότι για να ξεκινήσει ο συντονισμός χρειάζεται διέγερση από κατάλληλο σήμα και δεν μπορώ να φανταστώ τι σήμα υπάρχει εγγεγραμένο στις πηγές μας που οι αρμονικές του να πλησιάζουν αυτήν την συχνότητα...Έτσι δεν τοποθέτησα ούτε ασχολήθηκα με κάποιο διορθωτικό κύκλωμα αλλά είναι κάτι που αν χρειαστεί μπορεί να γίνει σε 2ο βαθμό...

Παρ' όλο που το τουίτερ έδειξε δυσαρέσκεια στο χαμηλό κροσσάρισμα η απόκρισή του είναι πολύ εκτεταμένη μέχρι το 1,2ΚΗΖ και κάπως έτσι μπορεί να ξεγελαστεί κανείς νομίζοντας ότι μπορεί να το κροσσάρει όσο χαμηλά θέλει...

Η περίθλαση δημιουργεί την γνωστή βύθιση στην περιοχή 2-3ΚΗZ ενώ εντύπωση κάνει η ευαισθησία του 8ωμου μεγαφώνου που πάνω από τα 4ΚΗΖ κινείται σταθερά στην περιοχή των 93db...

Φυσικά όπως έχω πεί όλα αυτά δεν λένε και πολλά για τον ήχο του...ο λαμπρός αλλά ταυτόχρονα ζεστός μεταλικός του ήχος είναι κάτι το μοναδικό, αναγνωρίσιμος, και ξεχωρίζει από άλλα τουίτερ άσχετα αν αρέσει ή δεν αρέσει....Υποκειμενικά είναι αυτά...
 

Attachments

  • Tweeter's-RENSPONCE-at-1,2m.jpg
    Tweeter's-RENSPONCE-at-1,2m.jpg
    102.3 KB · Views: 61
  • tweeter-waterfall.jpg
    tweeter-waterfall.jpg
    109.2 KB · Views: 62
Last edited:
Πάμε να δούμε και το μεσαίο...

Εκπληκτική ομοιότητα στην απόκριση των 2 μεγαφώνων όπως ακριβώς και στην μέτρηση της αντίστασής τους...δεν θυμάμαι να έχω ξαναδεί κάτι τέτοιο...το ίδιο μεγάφωνο να μετρούσα 2 φορές μπορεί να βγαίναν μεγαλύτερες διαφορές μιας και οι συνθήκες μέτρησης είναι λίγο πρωτόγονες και δεν περιλαμβάνουν κάποια σταθερή βάση που να εξασφαλίζει ότι οι σχετικές θέσεις ηχείου-μικροφώνου είναι απολύτως ίδιες σε κάθε προσπάθεια...

Η απόκριση είναι επίπεδη από το κάτω όριο μέτρησης μέχρι τα 5ΚΗΖ όπου ξεκινάει ένα ομαλό roll-off και με μόνη παραφωνία την γνωστή πλέον μύτη στην περιοχή 750-1300 ΗΖ...Όπως ήδη έχω γράψει δεν είναι χαρακτηριστικό του μεγαφώνου και οφείλεται στις περιθλάσεις της μπάφλας εξ' αιτίας της βλακώδους ενέργειάς μου να το τοποθετήσω κεντραρισμένο σε αυτήν...Με ένα offset της τάξης των 2-3 πόντων η μύτη θα είχε διασπαστεί σε μικρότερες με ύψος που δεν θα ξεπερνούσε το 1,5-2 db η κάθε μία...Τέσπα...το γεγονός ότι εμφανίζεται τόσο έντονα μόνο στην on-axis μέτρηση ενώ περιορίζεται δραστικά εκτός άξονα είναι η ελπίδα ότι η ακουστότητά του είναι λιγότερο έντονη από ότι φαίνεται στην μέτρηση...

Η nearfield του μεσαίου έδειξε ότι η χαμηλή του αποκοπή ξεκινάει από τα 250ΗΖ, παρουσιάζει F-3db στα 170 ΗΖ με μια λίγο πιο απότομη από 2ης τάξης αποκοπή από εκεί και κάτω προφανώς λόγω του υψηλού Q που δίνει στην αποκοπή του η μικρή 2λιτρη καμπίνα...εδώ που τα λέμε ο όγκος του μεγάλου μαγνήτη του μεγαφώνου κάνει τα ενεργά λίτρα του θαλάμου να είναι γύρω στα 1,5...

Με ένα ηλεκτρικό φίλτρο 1ης τάξης που θα δίνει μια αποκοπή -6db στα 300ΗΖ ίσως να στρώσει μια 2ης ακουστικής τάξης αποκοπής στα 300ΗΖ που να ακολουθεί με ακρίβεια την συνάρτηση μέχρι περίπου μια οκτάβα πιο κάτω... Αυτό που ίσως χαλάσει λίγο την επίτευξη του στόχου είναι η αλληλεπίδραση του πυκνωτή με την αύξηση της αντίστασης στον συντονισμό του θαλάμου, αλλά δεν μπορεί να τα έχουμε όλα δικά μας....Εννοείται ότι λόγω χαμηλής συχνότητας η σκέψη για τυχόν αντισταθμιστικό κύκλωμα ίσιωσης του συντονισμού απαγορεύεται δια ροπάλου...

Τα αποσβενυόμενα φάσματα λόγω παραθύρου μέτρησης περιορίζονται στην πάνω από 500-600ΗΖ περιοχή, αλλά τουλάχιστον από εκεί και πάνω δείχνουν ένα καθαρό μεγάφωνο χωρίς προβλήματα συντονισμών....

Γενικά ένα άψογο σετ μετρήσεων πλήν του προβλήματος της περίθλασης...
 

Attachments

  • Mid's-RESPONCE-at-1,2m.jpg
    Mid's-RESPONCE-at-1,2m.jpg
    100 KB · Views: 55
  • waterfall-mid.jpg
    waterfall-mid.jpg
    91.3 KB · Views: 54
Last edited:
Για το τέλος άφησα τα γούφερ...
Εδώ λόγω των χαμηλών συχνοτήτων η μέτρηση δεν είναι απλό πράγμα...
Χρειάζεται η συνεκτίμηση 3-4 μετρήσεων για να πάρουμε μια ολοκληρωμένη άποψη....
Μερικά ποστ πιο πίσω έχω περιγράψει πως κατέληξα σε κάποια συμπεράσματα και δεν θα ήταν σκόπιμο να τα επαναλάβω εδώ...
Να παραθέσω μόνο τις μετρήσεις που είναι από αριστερά προς τα δεξιά
1 ανοηχική στον άξονά τους στο 1 μέτρο με ακρίβεια μέχρι περίπου τα 230-250ΗΖ
2 nearfield στα 20εκ μεταξύ των 2 γούφερ
3 nearfield στα 4εκ μεταξύ των 2 γούφερ
4 ανοηχική στην θέση ακρόασης στο 1,2μ από την μπάφλα συγκριτικά με το άλλο ηχείο - η ακρίβεια της μέτρησης είναι στην περιοχή των 300-330ΗΖ...
5 συνδυασμός της nearfield με την ανοηχική στην θέση ακρόασης

Όπως βλέπουμε από τις μετρήσεις τα γούφερ παρουσιάζουν και αυτά μια πολύ καλή ομοιότητα στις μετρήσεις τους και οι μικροδιαφορές που εντοπίζονται πιστεύω ότι οφείλονται περισσότερο σε μικρές διαφορές της σχετικής θέσης ηχείου-μικροφώνου-άξονα κλίσης που λόγω των 2πλών γούφερ κάνει την μέτρηση πολύ ευαίσθητη σε μικρομετακινήσεις...

Από την διερεύνηση των nearfield αποφασίζω για μια στάθμη της τάξης των 89db/2,83V/m που είναι η στάθμη την οποία παρουσιάζουν τα γούφερ στην περιοχή των 80-100ΗΖ...όπως προείπα θα έχουμε μια μικρή επιπλέον πτώση της τάξης του 0,5db λόγω των απωλειών από την αντίσταση του πηνίου του φίλτρου (0,46Ωμ), αλλά από την άλλη το πάτωμα και ο πίσω τοίχος θα ενισχύσουν πιστεύω κατά 1-3db την στάθμη των χαμηλών...

Η ανοηχική απόκριση στον άξονα του τουίτερ δεν παρουσιάζει τίποτα δυσάρεστες εκπλήξεις και είναι η αναμενόμενη για το συγκεκριμένο configuration και την θέση των μεγαφώνων στην μπάφλα σχετικά με τον άξονα μέτρησης...εννοείται ότι η χαράδρα στην περιοχή των 2ΚΗΖ δεν είναι πραγματική αλλά οφείλεται διαφορά φάσης με την οποία προστίθεται η ακτινοβολία των 2 μεγαφώνων λόγω της γωνίας μέτρησης...

Στην μέτρηση στον άξονα των γούφερς βλέπουμε μια εκτεταμένη απόκριση μέχρι τα 5ΚΗΖ που σημαίνει ότι τα γούφερ θα πηγαίνανε εξίσου καλά από αυτήν την άποψη και σαν δίδρομα αν το τουίτερ μπορούσε και ακουγότανε καλά με ένα κροσσάρισμα στην περιοχή των 2,5ΚΗΖ ίσως και λίγο πιο κάτω...Τέσπα...επίσης παρατηρούμε την ίδια ακριβώς "μύτη" στην απόκριση στις ίδιες ακριβώς συχνότητες του μεσαίου, πράγμα που σημαίνει ότι οι διαστάσεις της συγκεκριμένης μπάφλας και τα κεντραρισμένα μεγάφωνα ευνοούν αυτού του είδους την κορύφωση στην απόκριση συχνότητας άσχετα με τι μεγάφωνο έχουμε να κάνουμε...

Λόγω του μικρού παραθύρου μέτρησης δεν έχει νόημα να ανεβάσω και τα αποσβενυόμενα φάσματα των γούφερς μιας και οι συχνότητες που θα μας δείξουν είναι ήδη εκτός περιοχής ωφέλιμης λειτουργίας...
 

Attachments

  • Nearfield 4cm.jpg
    Nearfield 4cm.jpg
    104.8 KB · Views: 48
  • Both speakers woofers-RESPONCE-at-final-p.jpg
    Both speakers woofers-RESPONCE-at-final-p.jpg
    126.8 KB · Views: 52
  • combined.jpg
    combined.jpg
    100.8 KB · Views: 51
Δυστυχώς την 1η μέτρηση που είναι η ανοηχική στο 1μ στον άξονα των γούφερς δεν την δεχότανε το σύστημα επειδή έχει ξαναδημοσιευτεί και μετά από πολλές προσπάθειες αναγκάστηκα να την μετατρέψω σε .pdf...
 
Και πάμε στο δυσκολότερο κομμάτι του πρότζεκτ που δεν είναι άλλο από το κύκλωμα διαχωρισμού...

Από τους βασικούς στόχους που είχα θέσει ήταν ένα όσο το δυνατόν πιο απλό κύκλωμα με λίγα εξαρτήματα με προφανείς συνέπειες τόσο στο κόστος όσο και στο χωροταξικό του θέματος...Και επιπλέον είμαι πάντα υπέρμαχος της σχολής που λέει ότι ειδικά όταν έχεις στα χέρια σου καλά μεγάφωνα με καλό ήχο πρέπει να επεμβαίνεις ηλεκτρικά όσο το δυνατόν λιγότερο και να τα αφήνεις στο μέτρο του δυνατού να λειτουργούν ανεπηρέαστα για να βγάλουν αυτό που μπορούν...
Έτσι κάποιοι "συμβιβασμοί" ήταν απαραίτητοι...

η όλη ιστορία έχει να κάνει κυρίως με το μεσαίο και το bandpass φίλτρο του...
Μετά την μελέτη των μετρήσεων αποφασίζω να προσπαθήσω να το κόψω στην περιοχή των 300-350 Ηζ...Γεινικά πιστεύω ότι οι συχνότητες 250-350 ΗΖ είναι οι πιο ενδεδειγμένες για παθητικό διαχωρισμό μεταξύ γούφερ και μεσαίου σε τρίδρομο ηχείο...Οι λόγοι για αυτό πολλοί αλλά ξεφεύγουν της παρούσης μιας και θα χρειαζόντουσαν μερικές σελίδες για να συζητηθούν και να αναλυθούν....

Με δεδομένη την κάτω αποκοπή-συντονισμό του συστήματος μεσαίου-θαλάμου και την ζητούμενη απλότητα του φίλτρου, αποφασίζω να δοκιμάσω τη 1η ηλεκτρική τάξη με σημείο -6db κάπου στα 300-350ΗΖ ελπίζοντας με αυτόν τον τρόπου να μπορέσω να βγάλω με σχετική ακρίβεια μια 2η ακουστικής τάξης κλίση που να παρουσιάζει λογική ακρίβεια μέχρι τα 130-150ΗΖ, δηλαδή μια οκτάβα πιο κάτω από το σημείο διαχωρισμού...Για τα γούφερ θα χρειαστούμε μια κανονική 2ης τάξης ηλεκτρική αποκοπή...
Με δεδομένη λοιπόν μια κάτω συχνότητα κρος στα 300-350ΗΖ και πιστεύοντας ότι το low και high pass του bandpass πρέπει να απέχουν τουλάχιστον 3 οκτάβες ώστε να μειωθούν στο ελάχιστο οι αλληλοεπηρεασμοί μεταξύ των 2 σκελών του φίλτρου, η επιθυμητή συχνότητα διαχωρισμού μεταξύ μεσαίου τουίτερ αυτόματα τοποθετείται στην περιοχή των 3ΚΗΖ...Στην συγκεκριμένη περίπτωση μου έβγαινε καλύτερα μια συχνότητα κρος λίγο πάνω από τα 3ΚΗΖ κάτι που τόσο το μεσαίο όσο και το τουίτερ έδειξαν ότι μπορούν να υποστηρίξουν άνετα...

Ένα άλλο θέμα που τέθηκε είναι το "φάγωμα" της μύτης που παρουσιάζει το μεσαίο στην περιοχή 750-1,3ΚΗΖ...Δεν το κρύβω ότι προβληματίστηκα πολύ...Βρήκα διάφορους τρόπους που θα μορούσα να επέμβω αλλά όλοι είχαν το μειονέκτημα ότι αύξαναν κατά πολύ την πολυπλοκότητα του κυκλώματος και μάλιστα με μεγάλες τιμές εξαρτημάτων που είχε προφανείς συνέπειες στο κόστος και τον όγκο...σε δοκιμαστικές προσπάθειες με φθηνουλικά δεν είδα και καμμιά σοβαρή διαφορά στον ήχο ενώ τις περισσότερες φορές μπορεί μεν η μύτη να έστρωνε, αλλά ο γενικότερος επηρεασμός του ήχου ήταν προς την αρνητική πλευρά...έτσι αποφάσιασα να μην επέμβω ειδικά εκεί και απλώς στα πλαίσια του bandpass φίλτρου να προσπαθήσω να μειώσω λίγο το φαινόμενο...εξ' άλλου από την αρχή πίστευα (έχω αναλύσει το γιατί) ότι δεν είναι τόσο ακουστό όσο φαίνεται...

Το κύκλωμα που κατέληξα προέκυψε τόσο από εξομοιώσεις στον υπολογιστή, όσο και από "γενναίο" trial & error....Δεν θα κρύψω ότι αντίθετα από άλλες δίδρομες σχεδιάσεις τις περισσότερες φορές πρώτα δοκίμαζα με το αυτί διαφορες τοπολογίες και τιμές εξαρτημάτων και μετά τις εξομοίωνα για να δω τι έκανα...

Ας δούμε λοιπόν το κύκλωμα και το σχολιάζουμε-αναλύουμε μετά...
 

Attachments

  • ScreenHunter_017.jpg
    ScreenHunter_017.jpg
    37.1 KB · Views: 92
Last edited:
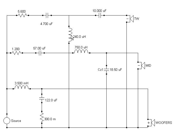
Πρόκειται για κύκλωμα 10 "σχεδιαστικών" εξαρτημάτων...

Ας δούμε τι εξαρτήματα είναι και πως προέκυψαν αυτές οι τιμές...
Κλάδος γούφερ
1. Πηρηνάτο πηνίο πάχους 1,5χιλ αυτεπαγωγής 3,5mH (προσοχή εδώ - η τιμή των 3,5mH έχει μετρηθεί στα 100ΗΖ. Λόγω του πυρήνα το πηνίο παρουσιάζει μεταβαλλόμενη αυτεπαγωγή και στα 300ΗΖ μετράει 3,35mH ενώ στα τυπικά 1000ΗΖ μετράει 3,12mH...Αυτό έχει την σημασία του όπως θα δούμε αργότερα...). Το Rdc του πηνίου μετρήθηκε στα 0,45 Ωμ.
2. Παραλληλισμένοι ηλεκτρολυτικοί πυκνωτές 3χ33μF + 1χ22μF. Η τελική τιμή στην περιοχή 100-500ΗΖ μετριέται στα 122μF με διακύμανση 2-3μF. Εδώ υπάρχει και το σοβαρότερο πρόβλημα υλικών μιας και δεν βρήκα Αυγουστιάτικα πουθενά στην Ελληνική αγορά non-polar ηλεκτρολυτικούς πάνω από τα 100v κάτι που ίσως αλλάξει στην πορεία-ψάχνω ακόμα...Για MKT το κόστος εκτοξεύεται και θα γίνει συννενόσηση με τον ιδιοκτήτη αν το αντέχει ή όχι...
3. Η αντίσταση των 0,3 Ωμ ΔΕΝ είναι πραγματική αλλά εκφράζει την μετρημένη αντίσταση των παραλληλισμένων ηλεκτρολυτικών πυκνωτών

Κλάδος μεσαίου
1. Αντίσταση τουβλάκι 1,2 Ωμ - 15Watt
2. MKT παραλληλισμένοι πυκνωτές ονομαστικής χωρητικότητας 58μF. Προκύπτει από 1Χ33μF + 1Χ25μF αν και μέτρησαν στα 57μF συνολικά...
3. Πηνίο αέρος πάχους 1,2χιλ με αυτεπαγωγή 0,75mH και Rdc=0,38Ωμ...Για την ακρίβεια πρόκειται για πηνίο 0,71mH που παίρνει κάτι ψιλά από μια νοβοπανόβιδα στο εσωτερικό του που χρησιμεύει για την στήριξή του...
4. ΜΚΤ παραλληλισμένοι πυκνωτές ονομαστικής τιμής 18,2μF. Προκύπτει από 1Χ10μF + 1Χ8,2μF αν και μέτρησαν στα 18,5μF συνολικά...

Κλάδος τουίτερ
1. Αντίσταση τουβλάκι 5,6 Ωμ - 5watt (θα αντικατασταθεί από αντίστοιχη οξειδίου)
2. ΜΚΤ πυκνωτής στα 4,7μF
3. Πηνίο αέρος πάχους 1χιλ με αυτεπαγωγή 0,24mH και Rdc=0,28Ωμ.
4. ΜΚΤ πυκνωτής στα 10μF

Εδώ να πω ότι οι τιμές αντίστασης των πηνίων δεν περιλαμβάνονται στο σχήμα γιατί το πρόγραμμα ανάλυσης τις περιλαμβάνει στην εισαγωγή των στοιχείων των πηνίων, ενώ στις εξοποιώσεις μου συμπεριλάμβανα και σε κάθε ΜΚΤ πυκνωτή την εν σειρά αντίστασή του που συνήθως μέτραγε γύρω στο 0,05-0,07 Ωμ…Υπερβολή θα μου πείτε αλλά με αυτήν την λεπτομερή εξομοίωση έφτασα στο σημείο να έχω συγκλονιστική ακρίβεια μεταξύ εξομοιώσεων και πραγματικής μέτρησης όπως θα δούμε στην συνέχεια…
 
Θεοφαν παρακολουθούμε με μεγάλο ενδιαφέρον την ανάλυση της κατασκευής.Μακάρι όμως να είχα και το ανάλογο θεωρητικό υπόβαθρο να μπορούσα να καταλάβω και περισσότερα πράγματα γιατί είναι πολύ καλή ή εργασία σου.
 
Θεοφαν παρακολουθούμε με μεγάλο ενδιαφέρον την ανάλυση της κατασκευής.Μακάρι όμως να είχα και το ανάλογο θεωρητικό υπόβαθρο να μπορούσα να καταλάβω και περισσότερα πράγματα γιατί είναι πολύ καλή ή εργασία σου.

Ο λόγος ο οποίος κάθομαι καλοκαιριάτικα και γράφω "βιβλίο" είναι ακριβώς αυτή η επιθυμία μου να εμβαθύνω στο θέμα και με αφορμή το πρότζεκτ να προσπαθήσω να φωτίσω και να εξηγήσω πολλές πλευρές της φιλοσοφίας και της μεθοδολογίας που τουλάχιστον εγώ χρησιμοποιώ κατά την φάση δημιουργίας ενός ηχείου...(σωστή ή λάθος-δεν έχει σημασία)...

Καταλαβαίνεις ότι θα μπορούσα πολύ πιο εύκολα να παραθέσω μερικές ξερές φωτό, μετρήσεις και οδηγίες σαν μια απλή παρουσίαση ή σαν έναν by the book οδηγό κατασκευής, αλλά δεν είναι αυτός ο σκοπός μου... Αυτό που επιδιώκω είναι να γίνουν συζητήσεις γύρω από διάφορα θέματα που πίστεψέ με έχουν πολύ περισσότερα να προσφέρουν στην κοινότητα από ότι η ίδια η κατασκευή αυτή καθ' αυτή...
Ανάλογες προσπάθειες στο παρελθόν είχαν τροφοδοτήσει πολύ χρήσιμες και διδακτικές συζητήσεις που πολύ σπάνια συναντάς οπουδήποτε... Δυστυχώς τότε υπήρχε η ενεργή συμμετοχή πολλών μελών που σήμερα είτε δεν μετέχουν, είτε απουσιάζουν λόγω διακοπών, είτε απλά το ενδιαφέρον τους έχει ατονήσει... Λυπηρό και απογοητευτικό, αλλά για αυτό δεν μπορώ να κάνω τίποτα...

Στην πορεία αυτή προσπαθώ να γράφω με απλό-κατανοητό τρόπο αποφεύγοντας πολύ εξειδικευμένους όρους, αλλά δυστυχώς η φύση του αντικειμένου είναι τέτοια που προυποθέτει ένα ελάχιστο επίπεδο γνώσεων και εξοικείωσης με το θέμα ώστε να γίνουν απολύτως κατανοητά...Μπορεί και να παρασύρομαι και να μην τα καταφέρνω καλά - δεν ξέρω...

Η αλήθεια όμως είναι ότι αν σε ενδιαφέρει το θέμα και δείξεις την κατάλληλη επιμονή διαβάζοντας ότι σχετικό βρείς γύρω από αυτό, πολύ γρήγορα όχι μόνο θα κατανοείς απόλυτα ότι διαβάζεις, αλλά γιατί όχι θα διαμορφώσεις και δική σου άποψη επί των γραφομένων...
 
Last edited:
Ευγε ΘΕΟΘΑΝ!!!
Εξαιρετικη δουλεια και αναλυση.


Υ.Γ. μια απ´τα ιδια του Νικολα, και για μενα.
δυστηχως δεν........
 
θεοθαν μια χαρα τα πας.

εγω τουλαχιστον καταλαβαινω απολυτα.

νικολα και platon τα project που ειχαν δημοσιευθη στο παλαι ποτε avforum ηταν για μενα η αφορμη να ψαξω λιγο παραπανω το πραγμα.

τωρα μπορω ανετα να παρακολουθησω τα γραφωμενα του θανου.

αν σας ενδιαφερη το θεμα διαβαστε προσεκτικα και εκφραστε της οποιες αποριες σας.

νομιζω οτι αυτα τα θεματα ειναι μεγαλη ευκαιρια για να μαθη καποιος τον τροπο να σχεδιαση ενα οποιοδηποτε ηχειο.
 
Ας προσπαθήσουμε να εξερευνήσουμε λίγο το κύκλωμα...

όπως έχω αναφέρει το κροσσόβερ σχεδιάστηκε στον υπολογιστή μόνο ως βασική μορφή και το περισσότερο μέρος του καθώς και οι τιμές των εξαρτημάτων βγήκαν από διαδικασία trial & error, οπότε δεν έχει νόημα να μιλήσουμε για συγκεκριμένες συναρτήσεις-στόχους και τέτοια...

Βλέπουμε λοιπόν ξεκινώντας από τα γούφερ μια 2ης ηλεκτρικής τάξης τοπολογία...η μικρή άνοδος μπάφλας λόγω της γωνίας μέτρησης βοήθησε στο να αποφύγω πολύ μεγάλες τιμές πυκνωτών που δημιουργούσαν πρόβλημα βυθίσματος στην αντίσταση του ηχείου...η κλίση του φίλτρου συμβαδίζει αρκετά κοντά με μια 2ης τάξης L-R κλίση με σημείο διαχωρισμού τα 350ΗΖ...

στο μεσαίο μετά την αντίσταση υποβιβασμού στάθμης το high-pass του υλοποιείται από τον πυκνωτή των 57μF ...είναι φανερή η αλληλεπίδραση του πυκνωτή με τον συντονισμό κάτω από τα 200ΗΖ αλλά λάβετε υπόψιν ότι στα γραφήματα αυτά οι στάθμες είναι ακριβείς από τα 300ΗΖ και πάνω περίπου και ακόμα δεν έχω στα χέρια μου μέτρηση nearfield με το κροσσόβερ για να πω με σιγουριά πόση είναι η κορύφωση και πια η τελική ακουστική μορφή του φίλτρου...το low-pass του υλοποιείται από το πηνίο των 0,75mΗ σε συνδυασμό με τον πυκνωτή των 18,5μF...η δεύτερη ηλεκτρική τάξη της τοπολογίας στην πράξη έρχεται πολύ κοντά σε μια 4ης ακουστικής τάξης αποκοπή

στο τουίτερ βλέπουμε μετά την αντίσταση (μεγάλη ομολογουμένως...) υποβιβασμού στάθμης, μια 3ης ηλεκτρικής τάξης τοπολογία που αν έπρπεπε να την εντάξουμε κάπου ακουστικά θα έλεγα ότι έρχεται κοντά με μια 3ης τάξης ακουστική αποκοπή...

Ένα άλλο σημείο που φαίνεται είναι ότι λόγω των συγκεκριμένων ηλεκτρικών τοπολογιών που έχουν χρησιμοποιηθεί τόσο το μεσαίο όσο και το τουίτερ είναι συνδεδεμένα με ανάστροφη πολικότητα σε σχέση με τα γούφερ...

Στα σχήματα βλέπουμε την τελική ΕΞΟΜΟΙΟΥΜΕΝΗ απόκριση συχνότητας του ηχείου μαζί με την εξομείωση με το μεσαίο με ανάποδη πολικότητα ώστε να αντιστραφούν οι φάσεις των φίλτρων του.

Η συνολική απόκριση συχνότητας είναι αρκετά ομαλή με διακυμάνσεις που δεν ξεπερνούν τα +/- 3db από την στάθμη αναφοράς των 89db...
η μύτη του μεσαίου τελικά έχει μειωθεί κάτι τις στα +3db από την στάθμη αναφοράς, και στην μεσαία και μεσουψηλή περιοχή βλέπουμε μικρές διακυμάνσεις με πτώση από 1 έως 3db σε σχέση με την στάθμη αναφοράς...το τουίτερ στην περιοχή 8-12 ΚΗΖ βρίσκεται περίπου 0,5db πιο κάτω, ενώ μετά τα 16ΚΗΖ ανεβάζει κατά 5db την απόκρισή του...Περισσότερα θα πούμε όταν θα αξιολογήσουμε την ΠΡΑΓΜΑΤΙΚΗ μέτρηση...
Η αναστροφή πολικότητας του μεσαίου όπως αναμενόταν δημιουργεί 2 αρκετά συμμετρικές τρύπες στις περιοχές που γίνεται η ακουστική ένωση των επιμέρους φίλτρων...

Παραθέτω και τις συναρτήσεις μεταφοράς των φίλτρων όπως αυτές διαμορφώθηκαν από το ηλεκτρικό κύκλωμα
 

Attachments

  • ScreenHunter_014.jpg
    ScreenHunter_014.jpg
    111.9 KB · Views: 52
  • TOTAL-out-of-phase.jpg
    TOTAL-out-of-phase.jpg
    130.4 KB · Views: 55
  • TOTAL.jpg
    TOTAL.jpg
    128.7 KB · Views: 61
Και εδώ έχουμε να κάνουμε με ΠΡΑΓΜΑΤΙΚΗ τελική μέτρηση...

Στο πρώτο σχήμα παραθέτω την μετρημένη απόκριση συχνότητας συγκριτικά με την εξομοιούμενη...
Η ταύτιση είναι απλά συγκλονιστική και οφείλεται τόσο στα υλικά όσο και στην πραγματικά πολύ καλή δουλειά που έχω κάνει στην ακρίβεια της εξομοίωσης και στο καλιμπράρισμα-σετάρισμα του μετρητικού...
Με κόκκινο η μέτρηση-με μαύρο η εξομοίωση...Η διαφορά των 0,5-1db στην περιοχή 300-600ΗΖ ΔΕΝ είναι αποτυχία εξομοίωσης αλλά οφείλεται σε αυτό που λέγαμε πριν για το πηνίο των γούφερ το οποίο μειώνει την αυτεπαγωγή του όσο ανεβαίνει η συχνότητα και ανεβάζει κατά 2-3db την στάθμη των γούφερς στην ίδια περιοχή...αυτό με την σειρά του έχει αυτό τον μικρό αντίκτυπο στην ολική απόκριση...αν εξομοιώσω το κύκλωμα με την μέση τιμή της αυτεπαγωγής στην περιοχή 300-500ΗΖ οι καμπύλες είναι σχεδόν ταυτόσημες...

Στο επόμενο σχήμα βλέπουμε την μετρημένη απόκριση συχνότητας σε σχέση με την στάθμη αναφοράς και μετά την ίδια μέτρηση αλλά με ένα smoothness 1/3 της οκτάβας ώστε να έρθουμε πιο κοντά στον τρόπο που το αυτί αντιλαμβάνεται την απόκριση πλάτους....Νομίζω ότι είναι μια πολύ αποδεκτή απόκριση συχνότητας με ένα εξαιρετικό πλατώ 250-700ΗΖ, μικρότερη από την αρχική μύτη στην περιοχή 700-1300ΗΖ, και μια ομαλή πτώση από 1-3 db στην μεσαία και μεσουψηλή περιοχή που βοηθάει στον "μαλακό" ήχο και στην απορρόφηση-ενσωμάτωση σε αυτήν των ανακλάσεων του χώρου (που λόγω της μακρινής απόστασης από τους πλαινούς τοίχους στην τελική τοποθέτησή του δεν αναμένονται ιδιαίτερα έντονες).

Στο τελευταίο σχήμα βλέπουμε την μέτρηση αντίστασης του τελικού ηχείου που με δεδομένο τους 3 δρόμους νομίζω ότι τα πάει αρκετά καλά χωρίς μεγάλες και απότομες μεταβολές της τιμής της και με την φάση της πάνω από τα 100ΗΖ να κυμαίνεται από -20 έως +30 μοίρες...Όχι κι άσχημα...

Οι μετρήσεις του τελικού ηχείου δεν έχουν τελειώσει ακόμα...Πιστεύω ότι το ΣΚ θα έχω τελειώσει με την τοποθέτηση του κροσσόβερ και μετά θα πάρω ένα πιο πλήρες σετ μετρήσεων (nearfield - offaxis-waterfalls κλπ) τα οποίο θα ποστάρω προς σχολιασμό και εκτίμηση...

Προς το παρόν.... -bye--bye--bye-
 

Attachments

  • ScreenHunter_011.jpg
    ScreenHunter_011.jpg
    140.6 KB · Views: 72
  • final-measurement--+-refere.jpg
    final-measurement--+-refere.jpg
    104.6 KB · Views: 64
  • final-measurement-smoothnes.jpg
    final-measurement-smoothnes.jpg
    84.8 KB · Views: 62
  • ScreenHunter_015.jpg
    ScreenHunter_015.jpg
    95.5 KB · Views: 60
Last edited:
Απάντηση: Re: Τρίδρομο μπελά έβαλα στο κεφάλι μου....

καλα βρε θανο τωρα το ειδα.

214 ατομα διαβαζουν το thread κατακαλοκαιρο και παραπονιεσαι;


Μα εγώ δεν μίλησα για...αναγνώστες.
Για ενεργή συμμετοχή με ερωτήσεις-απαντήσεις-παρατηρήσεις-συμφωνίες-διαφωνίες και τέτοια πράγματα μίλησα...


Και στο κατώ-κάτω της γραφής είμαι και λίγο....γκρινιάρης... :silly:
Νομίζεις ότι τυχαία με φωνάζει ξυνό ο Μανώλης ??? :beee::beee::beee: ............... :flipout:
 
Απάντηση: Re: Τρίδρομο μπελά έβαλα στο κεφάλι μου....

.

αν σας ενδιαφερη το θεμα διαβαστε προσεκτικα και εκφραστε της οποιες αποριες σας.

Εννοείται ότι όποιος νοιώθει ότι κάπου χρειάζεται μια εξήγηση ή βοήθεια σε κάποιο επιμέρους θέμα δεν έχει παρά να ρωτήσει...θα γίνει κάθε προσπάθεια να του λύσω την όποια απορία (αν είμαι σε θέση να το κάνω...).

Το ίδιο καλοδεχούμενες είναι τυχόν παρατηρήσεις ή προτάσεις όσο ακόμα τα ηχεία βρίσκονται με έξω τα κροσσόβερ και θα μπορούσε εύκολα να δοκιμαστεί μια καλή-εφικτή ιδέα...

Ακόμα περισσότερο καλοδεχούμενες είναι τυχόν ενστάσεις ή κριτικές...αίντε γιατί πολύ καιρό έχουμε να σφαχτούμε λίγο εδώ μέσα...Μας έχει φάει η πολύ ευγένεια... :2thumb22sup: :ADFADF1:
 
Ααααα ξέχασα...ας παραθέσω και 3 χρήσιμα γραφήματα που δείχνουν πως διαμορφώθηκαν οι αποκρίσεις των μεγαφώνων υπό την επίδραση των φίλτρων συγκριτικά με την αρχική μέτρησή τους...
 

Attachments

  • ScreenHunter_024.jpg
    ScreenHunter_024.jpg
    119.8 KB · Views: 52
  • ScreenHunter_025.jpg
    ScreenHunter_025.jpg
    117.7 KB · Views: 53
  • ScreenHunter_023.jpg
    ScreenHunter_023.jpg
    115.3 KB · Views: 54