Ποιος ειναι ο καλυτερος τελικος στον πλανητη?

Δεν εχουν περισσοτερη ισχυ ανα λυχνια απο τους κλασσικους set

Δε μιλούσα για ισχύ ανά λυχνία, αλλά για συνολική. Αυτό είναι το ζητούμενο άλλωστε.

Όσο για το bias, είχα κατά νου τους τελευταίους Atma-Sphere, που είναι auto-bias. Mea culpa.
 
Αν κατάλαβα καλά αν χρησιμοποιείς σε έναν λαμπάτο λυχνίες 6AS7 τότε φτιάχνεις OTL και Atma-sphere ταυτόχρονα. Είναι να απορεί κανείς πώς δεν το σκέφτηκε αυτό κανείς πριν.Λ.Σ.

Tο βασικο σχηματικο των Atma sphere ,,,οντως απλο και εξυπνο,,:a0210:
 

Attachments

  • atmasfere.jpg
    atmasfere.jpg
    64.2 KB · Views: 55
Δεν υπαρχουν μονο 2 σχεδιασεις otl,και βεβαιως και δεν αναφερομουν στους atma οταν αναφερομαι σε otl.

-bye-
Ποιες είναι αυτές οι πάνω από 2 σχεδιάσεις OTL γιατί όλος ο κόσμος ξέρει και η Futterman και η Atma-sphere ότι υπάρχουν μόνο δύο.
Εκτός αν εννοείς τους διάφορους κατασκευαστές που υλοποίησαν την σχεδίαση Futterman και αναφέρομαι μόνο σε αυτήν γιατί του Karsten έχει υλοποιηθεί μόνο από τη δική του εταιρεία.
Ευχαριστώ για τη διευκρίνηση. Είναι καλό να μη γενικεύουμε. Λ.Σ.
 
όπως πολύ γραφικά αναφέρει και το εγχειρίδιο φανταστείτε μια βάρκα με 2 κωπηλάτες , ναι μεν υπερέχουν σε δύναμη χάνουν δε σε συγχρονισμό με αποτέλεσμα η βάρκα να μην έχει σταθερότητα , σε αντίθεση με τον μονό κωπηλάτη που είναι σαφώς σταθερότερος χειριζόμενος και τα 2 κουπιά μόνος του ... και με λίγη ντόπα εχει και δύναμη

Ναι, αν έχεις δύο κωπηλάτες, αλλά αν έχεις 16 ή 32; Τότε οι διαφορές μεταξύ τους εξομαλύνονται και η βάρκα κουνάει λιγότερο. Αυτή η λύση των πολλών παράλληλων τρανζίστορ (πχ Krell) ή λυχνιών (πχ Atmasphere) σε γλυτώνει και από ταιριάσματα των υλικών. Γιατί στατιστικά η μέση τιμή των 32 τρανζίστορ θα έχει λιγότερες αποκλίσεις από το θεωρητικό από τη μέση τιμή των 2. Το έχετε σκεφτεί ποτέ έτσι;
 
Αν κατάλαβα καλά αν χρησιμοποιείς σε έναν λαμπάτο λυχνίες 6AS7 τότε φτιάχνεις OTL και Atma-sphere ταυτόχρονα. Είναι να απορεί κανείς πώς δεν το σκέφτηκε αυτό κανείς πριν.Λ.Σ.

Διαβάζετε και κάντε την έρευνα σας πριν γράψετε.
 
Ναι, αν έχεις δύο κωπηλάτες, αλλά αν έχεις 16 ή 32; Τότε οι διαφορές μεταξύ τους εξομαλύνονται και η βάρκα κουνάει λιγότερο. Αυτή η λύση των πολλών παράλληλων τρανζίστορ (πχ Krell) ή λυχνιών (πχ Atmasphere) σε γλυτώνει και από ταιριάσματα των υλικών. Γιατί στατιστικά η μέση τιμή των 32 τρανζίστορ θα έχει λιγότερες αποκλίσεις από το θεωρητικό από τη μέση τιμή των 2. Το έχετε σκεφτεί ποτέ έτσι;

Ορθον, ετσι οπως το εκφραζεις. Με 32 παραλληλα στοιχεια ισχυως (ανα κλαδο εννοειται) θα μπορουσες ισως να περιορισεις δραματικα τις αποκλισεις του καθενος απο τη θεωρητικη τιμη.
 
Διαβάζετε και κάντε την έρευνα σας πριν γράψετε.
Δεν κατάλαβα!!!!
Το κάνεις πιο λιανά!!!!
Έχεις ξαναδόσει αυτή τη συμβουλή άλλη φορά σε κανένα;
Δεν τόξερα ότι είμαι τόσο αδιάβαστος και γράφω ό,τι μούρθει!!!Λ.Σ.
 
Ποιες είναι αυτές οι πάνω από 2 σχεδιάσεις OTL γιατί όλος ο κόσμος ξέρει και η Futterman και η Atma-sphere ότι υπάρχουν μόνο δύο.
Εκτός αν εννοείς τους διάφορους κατασκευαστές που υλοποίησαν την σχεδίαση Futterman και αναφέρομαι μόνο σε αυτήν γιατί του Karsten έχει υλοποιηθεί μόνο από τη δική του εταιρεία.
Ευχαριστώ για τη διευκρίνηση. Είναι καλό να μη γενικεύουμε. Λ.Σ.

Ευτυχως που μας ανοιγετε τα ματια ωρες ωρες.
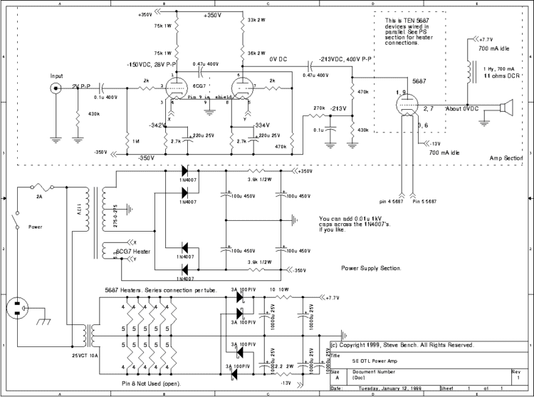
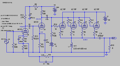
Να αλλα δυο,ετσι στα προχειρα

se_otl1.gif

6c19p-pse-otl.gif
 
Δεν κατάλαβα!!!!
Το κάνεις πιο λιανά!!!!
Έχεις ξαναδόσει αυτή τη συμβουλή άλλη φορά σε κανένα;
Δεν τόξερα ότι είμαι τόσο αδιάβαστος και γράφω ό,τι μούρθει!!!Λ.Σ.

Κακώς.
Οχι.
Ισως.
Υπάρχει πάντα περιθώριο για βελτίωση.
 
Κακώς.
Οχι.
Ισως.
Υπάρχει πάντα περιθώριο για βελτίωση.
Σίγουρα υπάρχει πάντα περιθώριο για βελτίωση στον καθένα από εμάς και σε μένα.
Αλλά για να κάνεις παρατήρηση αποκλειστικά σε μένα γιατί έτσι σου κατέβηκε και χωρίς να υπάρχει λόγος, δεν το καταλαβαίνω.
Θα σε συμβούλευα να είσαι πιο προσεκτικός, ιδιαίτερα όταν απευθύνεσαι σε μένα. Όταν διαβάζεις να κατανοείς τα γραφόμενά μου και να κάνεις και την έρευνά σου και μετά να σχολιάζεις.
Ας σοβαρευτούμε λιγάκι!!! Λ.Σ.
 
... Ας σοβαρευτούμε λιγάκι!!! Λ.Σ.

Αυτό τον σκοπό είχε το αρχικό μου μήνυμα.

Διαβάστε το μήνυμα στο οποίο απαντήσατε στην αρχική μου αναφορά. Ισως βοηθήσει.

ΥΓ: τα "...ιδιαίτερα όταν απευθύνεσαι σε μένα." τα προσπερνώ ως κακόγουστο αστείο.
 
Δεν ξέρω αν κάποιος όντας ιδρυτικό μέλος σωματείου ή συντονιστής αποκτά και κάποια εξουσία, έχει κάποιες ιδιαίτερες γνώσεις και μπορεί να προσβάλλει τους συνομιλητές του.
Μήπως είναι καιρός να ξεκαθαρίσουμε κάποια πράγματα;
Αν δεν γουστάρετε να γράφουμε να μας το πείτε. Φαίνεται η παρουσία μας να ενοχλεί ορισμένους. Λ.Σ.
 
Λουκα μια χαρα θελουμε να γραφετε, τουλαχιστον εμεις οι αγνωστοι χομπιστες, που δεν ξερουμε προσωπικα ουτε εσενα ουτε τον Μορφεα. Πιστευουμε οτι η συμμετοχη σου στον χωρο ειναι θεμιτη, απλως πολλες φορες, ισως και χωρις να το αντιλαμβανεσαι, δηλαδη σαφως οχι με κακη προθεση, θεωρεις και προαγεις τα προιοντα που αντιπροσωπευεις ως τα καλυτερα στον κοσμο, λογω της πραγματικης αγαπης σου προς αυτα, πραγμα που σε ατομα που πιθανον δεν σε γνωριζουν απο κοντα δεν φαινεται σωστο.
Τελος για τον Μορφεα, αν και δεν τον εχω γνωρισει απο κοντα και μονον απο τα λεγομενα συνφορουμιτων, δεν νομιζω οτι ειναι ατομο που θα χρησιμοποιουσε την ιδιοτητα του στο φορουμ για την επιτευξη καποιων στοχων σε μια προσωπικη του διενεξη και πραγματικα πιστευω οτι δεν υπαρχει λογος να δημιουργηθει καποια ψυχροτητα μεταξυ σας.
Αυτα παντα φιλικα και χωρις να εχω γνωρισει καποιον απο τους δυο σας απο κοντα ακομα.
 
Re: Απάντηση: Ποιος ειναι ο καλυτερος τελικος στον πλανητη?

Έχε πάντως υπόψιν σου ότι μπορείς να φτιάξεις OTL ενισχυτή με την μορφή
Parallel SET! Το θέμα είναι ποιός θα το τολμήσει όμως. Θα ήθελα μιά απόλυτα
έγκυρη απάντηση γιά το αν η Atmasphere έχει στην γκάμα της τέτοια
υλοποιήση!!!!


Αυτο που λες εχει υλοποιηθει κατα καιρους.
Εδω θα βρεις σχεδια σχετικα με τετοιους.
http://www.audiocraftworks.gr/gr/designs.asp?main_id=1&Sub_id=37
Ειδικα αυτος με τις 6AS7(6080WC) ειναι και απλος.
Το θεμα ειναι τι το φοβερο περιμενεις.
 
Κατι οπως το δευτερο?
Με 16 6C19p παιρνεις 20watt,αλλα θελεις και ενα τσοκ για 1,6Α.....
Που βρισκουμε τετοιο?

Σε οποιαδηποτε καλη Τσοκερί
(παλια τα λεγανε Τσοκοπωλεια)-bye-