Επίσης θέλω να πω κάτι που παρατήρησα στον προηγούμενο 909 (με το modification) κατα την διάρκεια του καλοκαιριού: Όταν τυχαία κάποια στιγμή είχα μόνιμα στραμένο πάνω του (και δη απο την αριστερή-προβληματική πλευρά) έναν ανεμιστήρα ο οποίος δεν άφηνε τον ενισχητή να ζεσταθεί πάρα πολύ τότε δεν παρουσίαζε το πρόβλημα...
Με τον καινούριο δεν το έχω κάνει για να δω αν συμβαίνει το ίδιο....
Να ρωτήσω και κάτι ακόμα: Υπάρχουν 909 που ΔΕΝ παρουσιάζουν αυτό το πρόβλημα-ιδιοτροπία;; Δηλαδή τυχαίνει σε κάποια μόνο κομάτια ή το έχουν όλοι οι ενισχυτές;; Επίσης είναι 100% σίγουρο οτι δεν υπάρχει πρόβλημα για τα ηχεία;;[/quote]
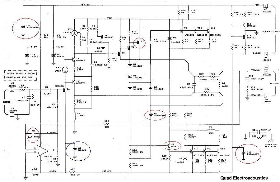
Αν παρατηρήσετε το σχέδιο του 909, θα δείτε 2 αντιστάσεις (R16,17. 560Ohm/4W). Αποτελούν σε συνδυασμό με άλλα εξαρτήματα την πόλωση
των τελικών σταδίων και είναι τμήμα και του Current Dumping, κατά την
λειτουργία του ενισχυτή αυτές οι 2 αντιστάσεις κυριολεκτικά ψήνονται και
συνήθως παρατηρείται ασύμετρη πτώση τάσης επάνω τους με αποτέλεσμα
να επιρεάζεται η λειτουργία του κυκλώματος και η πόλωση του Negative
σταδίου των Dumpers. Δεν δημιουργεί κανένα πρόβλημα κατά την ακρόαση,
αλλά αποτελεί παράμετρο χειροτέρευσης του συμπτώματος του κρότου μετά το σβήσιμο του ενισχυτή, όποτε με την χρήση του ανεμιστήρα όπως
καταλαβαίνεις, αντιμετώπισες κατά κάποιον τρόπο μία από τις αιτίες του
προβλήματος!!! Δεν μπορώ να απαντήσω απόλυτα γιά το αν το παρουσιάζουν όλοι οι 909 αυτό το Bug, μπορώ όμως να σου πώ ότι σε
δειγματολυπτικό έλεγχο που είχα κάνει στην πρώτη έκδοση, το 20-30%,
εμφάνιζε το σύμπτωμα, σε μικρότερο ή μεγαλύτερο βαθμό! Αν σου λέει
κάτι αυτό?! Αν πρόσεξες είπα κάπου στην αρχή του Thread ότι θα
στεναχωρηθούν κάποιοι αν μιλήσουμε γιά την σημερινή Quad και τις
αδικαιολόγητες κακοτεχνίες ή αμέλεια στον ποιοτικό έλεγχο πολλών από
τις συσκευές της! Ήταν ένας από τους λόγους που παραιτήθηκα από το
Service Department στην Αγγλία!